0  313043  313051  313057  313061  313067  313069  313073  313079  313081  313087  313093  313097  313099  313103  313109  313111  313117  313121  313123  313127  313129  313133  313135  313137  313138  313139  313141  313142  313143  313145  313147  313151  313153  313157  313159  313163  313169  313171  313177  313181  313183  313187  313193  313199  313201  313207  313211  313213  313219  313223  313229  313237  447090 

3.如图所示,是一个小灯泡的电流强度随小灯泡两端

   电压变化的关系图,则根据小灯泡的伏安特性曲线

   可判定下列说法中正确的是            (   )

    A.小灯泡的电阻随着所加电压的增加而减小

B.小灯泡灯丝的电阻率随着灯丝温度的升高而减小

C.欧姆定律对小灯泡不适用

D.如果把三个这种相同的灯泡串联后,接到电压恒

  为12V的电源上,则流过每个小灯泡的电流为0.4A

试题详情

2.2009年2月11日,美国铱卫星公司的“铱33”通讯卫星与俄罗斯的“宇宙2251”军用通讯卫星在西伯利亚上空约790km处发生相撞。这是有史以来首次卫星碰撞时间,已知碰撞点比相对地球静止的国际空间站高434km。则                    (   )

    A.在碰撞点高度运行的卫星的角速度大于国际空间站的角速度

B.在碰撞点高度运行的卫星的向心加速度与国际空间站的向心加速度小

C.在与空间站相同轨道上运行的卫星一旦加速,将有可能与空间站相撞

D.若发射一颗在碰撞点高度处运行的卫星,发射速度至少为11.2kg/s

试题详情

1.如图所示,在倾角为α的光滑斜面上,垂

  直纸面放置一根长为L,质量为m的直导

  体棒。当导体棒中的电流Ⅰ垂直纸面向里

  时,欲使导体棒静止在斜面上,可将导体

  棒置于匀强磁场中,当外加匀强磁场的磁

  感应强度B的方向在纸面内由垂直向上沿

  逆时针转至水平向左的过程中,下列关于B的大小变化的说法中,正确的是   (   )

    A.逐渐增大                      B.逐渐减小

    C.先减小后增大                    D.先增大后减小

试题详情

2. 自感中的电流计算问题

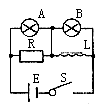
例2 如图4所示,电源电动势E=6V,内阻不计,A和B两灯都标有“6V 0.3A”字样,电阻R和线圈L的直流电阻均为,试通过计算,分析在电键S闭合和断开的极短时间内流过A和B两灯的电流变化情况。

图4

解析 A和B两灯的电阻均为。S刚闭合时,由于L中电流不能突变,只能由零逐渐增大到稳定值,因此L中电流为零相当于断路,此时的电路等效成图5所示。对图5,不难算出流过A、B两灯的电流分别为

电路稳定后,A、B两灯分别与R、L并联后再串联,此时线圈相当于一个的电阻,根据直流电路知识,容易算出流过A、B两灯的电流均为

图5

当S断开瞬间,A灯中的电流立即从0.15A变为零。由于发生自感现象,线圈L中的电流不能发生突变,在线圈L与B灯组成的回路中,L中的电流由向右的0.15A开始变小,故B灯中电流从向右流过的0.15A立即变为向左流过的0.15A,然后逐渐减为零。

试题详情

1. 判断灯亮度情况的变化问题

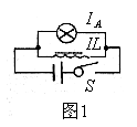
例1(1997年高考题)如图2所示的电路中是完全相同的灯泡,线圈L的电阻可以忽略。下列说法中正确的是()

A. 合上电键S接通电路时,先亮,后亮,最后一样亮

B. 合上电键S接通电路时,始终一样亮

C. 断开电键S切断电路时,立即熄灭,过一会才熄灭

D. 断开电键S切断电路时,都过一会才熄灭

解析 自感线圈具有阻碍电流变化的作用,当电流增加时,它阻碍电流增加;当电流减小时,它阻碍电流减小,但阻碍并不是阻止。闭合电键时,L中电流从无到有,L将阻碍这一变化,使L中电流不能迅速增大;而无电感的电路,电流能够瞬时达到稳定值。故灯后亮,灯先亮,最后两灯电流相等,一样亮。断开电键时,L中产生自感电动势与自身的电流方向相同,该自感电流通过,使过一会儿才熄灭,故选项A、D正确。

点评 本题在断电瞬间,两灯尽管可以过一会熄灭,但看不到更亮一下再熄灭的现象。其原因是,线圈L的电阻可以忽略,电键闭合稳定后,两灯中的电流相等。如果本题的电路改成图3所示,由于电路闭合稳定时,流过线圈的电流大于灯中的电流,亮;当电键断开瞬间,都过一会才熄灭,但会更亮一下。

图3

试题详情

要点一:电感线圈产生感应电动势的原因是通过线圈本身的电流变化引起穿过自身的磁通量变化。

要点二:自感电流总是阻碍导体中原电流的变化,当自感电流是由于原电流的增强引起的(如通电),自感电流的方向与原电流方向相反;当自感电流是由于原电流的减少引起时(如断电),自感电流的方向与原电流方向相同;

要点三:自感电动势的大小取决于自感系数和导体本身电流变化的快慢。其具体关系为:。其中,自感系数L的大小是由线圈本身的特性决定的。线圈越粗、越长、匝数越密,它的自感系数就越大;线圈中加入铁芯,自感系数增大。

要点四:自感现象的解释。

图1的电路断电时,线圈中产生的自右向左的自感电流,是从稳定时的电流开始减小的。若为线圈的直流电阻),在电键S闭合稳定后,流过电灯的自右向左的电流小于流过线圈的自右向左的电流,在S断开的瞬间,才可以看到电灯更亮一下后才熄灭。若,在S断开的瞬间,电灯亮度是逐渐减弱的。

三个状态:理想线圈(无直流电阻的线圈)的三个状态分别是指线圈通电瞬间、通电稳定状态和断电瞬间状态。在通电开始瞬间应把线圈看成断开,通电稳定时可把理想线圈看成导线或被短路来分析问题。断电时线圈可视为一瞬间电流源(自感电动势源),它可以使闭合电路产生电流。

试题详情

“出格”意为超出一般,与众不同;又可解为越出常规,做得过分。请你以“出格”为话题,写一篇不少于800字的文章,角度自选,立意自定,除诗歌外文体不限。

试题详情

22、某班学生在讨论“说不尽的贾宝玉”时,从不同角度简要地阐述了他们对贾宝玉的认识。

请你将其整合为-个长句,可以适当增删词语。 (4分)

①贾宝玉是个贵族公子。

②贾宝玉生活在充满矛盾的封建大家庭。

③叛逆精神是贾宝玉的性格特征。

④曹雪芹写《红楼梦》是为了揭示贾府的衰亡史和罪恶史。

⑤贾宝玉是封建伦理的孤独的反抗者。

整合的长句:

_______________________________________________________________________________

                                       

                                        

试题详情

20.(据新华社电讯)城市路牌上的地名为什么要用汉语拼音标注,可否改成英文?民政部近日就此接受记者采访时强调,地名标志是领土主权的象征,用汉语拼音标注地名,事关国家领土主权和尊严,用英文等外文拼写地名标志,在中国是被禁止的。

请用简洁的语言概括出民政部的明确态度和理由,不超过30个字。(4分) 

答:

试题详情


同步练习册答案