0  410661  410669  410675  410679  410685  410687  410691  410697  410699  410705  410711  410715  410717  410721  410727  410729  410735  410739  410741  410745  410747  410751  410753  410755  410756  410757  410759  410760  410761  410763  410765  410769  410771  410775  410777  410781  410787  410789  410795  410799  410801  410805  410811  410817  410819  410825  410829  410831  410837  410841  410847  410855  447090 

23.(18分)如图所示,导体棒ab质量为0.10kg,用绝缘细线悬挂后,恰好与宽度为50cm的光滑水平导轨良好接触,导轨上还放有质量为0.20kg的另一导体棒cd,整个装置处于竖直向上的匀强磁场中。将ab棒向右拉起0.80m高,无初速释放,当ab棒第一次经过平衡位置向左摆起的瞬间,cd棒获得的速度是0.50m/s。在ab棒第一次经过平衡位置的过程中,通过cd棒的电荷量为1C。空气阻力不计,重力加速度g取10m/s2,求:

  (1)ab棒向左摆起的最大高度;

(2)匀强磁场的磁感应强度;

(3)此过程中回路产生的焦耳热。

试题详情

22.(08东城二模)(16分)2008年初,我国南方遭受严重的冰灾,给交通运输带来极大的影响。已知汽车橡胶轮胎与普通路面的动摩擦因数为0.7,与冰面的动摩擦因数为0.1。当汽车以某一速度沿水平普通路面行驶时,急刹车后(设车轮立即停止转动),汽车要滑行8m才能停下。那么,该汽车若以同样的速度在结了冰的水平路面上行驶,求:(1)急刹车后汽车继续滑行的距离增大了多少?

(2)要使汽车紧急刹车后在冰面上8m内停下,汽车行驶的速度不超过多少?重力加速度g取10m/s2。  

试题详情

20、如图(1)所示,电压表V1、V2串联接入电路中时,示数分别为6V和4V,当只有电压表V2接入电路中时,如图示(2)所示,示数为9V,电源的电动势为( C  )

A. 9.8V    B.10V   C.10.8V    D.11.2V

第Ⅱ卷(非选择题  共72分)

21(18分)(1)(4分)如图所示,在研究平行板电容器的电容量大小与哪些因素有关的实验中,进行如下操作:

① 使电荷量Q、正对面积S一定,增大两板间距离d则静电计指针偏角    (填“变大”、“变小”或”“不变”);

②使电荷量Q、两板间距离d、正对面积S一定,在两极板间放入石蜡,

则静电计指针偏角     (填“变大”、“变小”或“不变”)。

(2)(5分)在“用单摆测定重力加速度”的实验中:

①用主尺最小分度为1mm,游标上有20个分度的卡尺测量金属球的直径,结果如图甲所示,可以读出此金属球的直径为________mm。(2分)

 

②某同学在利用单摆测重力加速度的实验中,测出多组摆长L与周期T的数据,根据实验数据,作出了T2-L的关系图象如图所示,理论上T2 –L是一条过坐标原点的直线,根据图中数据,可算出重力加速度其值为________m/s2(取π2=9.86, 结果保留三位有效数字)。

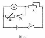
 ( 3 )(9分)在“把电流表改装为电压表”的实验中,测电流表G 的内阻时备有下列器材:

A.待测电流表(量程lmA ,内阻约几十欧)

B.滑动变阻器(阻值范围0 --100 )

C.滑动变阻器(阻值范围0--20k)

D.电阻箱(0--999.9)

E.电阻箱(0--9999)

F.电源(电动势2V ,有内阻)

G.电源(电动势9V ,有内阻)

H.开关.导线

① 若采用图10 所示电路测定电流表G的内阻,并要求有较高的精确度,以上器材中,应选用       ,应选用         ,电源应选用      (用器材前的英文字母表示)。

② 实验要进行的步骤有:

A .合上开关S1 B .合上开关S2 C .将R1的阻值调到最大 D .调节R1的阻值,使电流表指针满偏 E .调节R2的阻值,使电流表指针偏转到满刻度一半处

F .记下R2的阻值并.断开S1 G .按图10所示连接好实验电路 以上步骤,合理的顺序是            (用步骤前的英文字母表示)。

③ 若在步骤F中读得的阻值是50,则电流表内阻=     ,若要将该电流表改装成量程是3V 的电压表,则应  联一个阻值是     的电阻。表的刻度盘上原0. 6mA 处应改写成       V。

试题详情

19.如图7所示,固定在水平桌面上的光滑金属框架cdeg处于方向竖直向下的匀强磁场中,金属杆ab与金属框架接触良好。在两根导轨的端点de之间连接一个电阻R,其他部分电阻忽略不计。现用一水平向右的外力F作用在金属杆ab上,使金属杆由静止开始向右在框架上滑动,运动过程中杆ab始终垂直于框架。图8为一段时

间内金属杆中的电流I随时间t的变化关系,则图9中可以表示外力F随时间t变化关系的图象是(  B  ) 

试题详情

18.长木板A放在光滑的水平面上,质量为m的物块B以水平初速度v0从一端滑上A的水平上表面,它们在运动过程中的vt图线如图2所示。则根据图中所给出的已知数据v0t1及物块质量m,可以求出的物理量是( C)

    A.木板A获得的动能

    B.AB组成的系统损失的机械能

    C.木板A的最小长度

    D.AB之间的动摩擦因数

试题详情

17.为了测量某化肥厂的污水排放量,技术人员在该厂的排污管末端安装了如图所示的流量计,该装置由绝缘材料制成,长、宽、高分别为abc,左右两端开口,在垂直于上下表面方向加磁感应强度为B的匀强磁场,在前后两个内侧面固定有金属板作为电极,污水充满管口从左向右流经该装置时,电压表将显示两个电极间的电压U.若用Q表示污水流量 (单位时间内排出的污水体积),下列说法正确的是 ( B  )

A.若污水中正离子较多,则前内侧面比后内侧面电势高

B.前内侧面的电势一定低于后内侧面的电势,与哪种离子多无关

C.污水中离子浓度越高,电压表的示数将越大

D.污水流量Q与电压U成正比,与ab有关

试题详情

16.“嫦娥一号”月球探测卫星于2007年10月24日在西昌卫星发射中心由“长征三号甲”运载火箭发射升空。该卫星用太阳能电池板作为携带科研仪器的电源,它有多项科研任务,其中一项是探测月球上氦3的含量,氦3是一种清洁、安全和高效的核融合发电燃料,可以采用在高温高压下用氘和氦3进行核聚变反应发电。若已知氘核的质量为2.0136u,氦3的质量为3.0150u,氦核的质量为4.00151u,质子质量为1.00783u,中子质量为1.008665u,1u相当于931.5MeV.则下列说法正确的的是(B )

A.氘和氦3的核聚变反应方程式: +→+X, 其中X是中子

B.。氘和氦3的核聚变反应释放的核能约为17.9MeV

C.一束太阳光相继通过两个偏振片,若以光束为轴旋转其中一个偏振片,则透射光的强度不发生变化

D.通过对月光进行光谱分析,可知月球上存在氦3元素

试题详情

15.如图所示,一验电器与锌板用导线相连,现用一紫外线灯照射锌板,关灯之后,验电器指针保持一定的偏角 ( C   )

A.将一带负电的金属小球与锌板接触,则验电器指针偏角将增大

B.将一带负电的金属小球与锌板接触,则验电器指针偏角将不变

C.使验电器指针回到零,改用强度更大的紫外线灯照射锌板,验电器的指针偏角将增大

D.使验电器指针回到零,改用强度更大的红外线灯照射锌板,验电器的指针一定偏转

试题详情

14.消除噪声污染是当前环境保护的一个重要课题。内燃机、通风机等在排放各种高速气流的过程中都发出噪声,干涉型消声器可以用来消弱高速气流产生的噪声。干涉型消声器的结构及气流运行如图所示,产生波长为λ的声波沿水平管道自左向右传播。当声波到达a处时,分成两束相干波,它们分别通过r1r2的路程,再在b处相遇,即可达到消弱噪声的目的。若Δr= r2 – r1, 则Δr等于:  (  C  )

A.波长λ的整数倍    B.波长λ的奇数倍  

 C.半波长的奇数倍    D.半波长的偶数倍

试题详情

13.根据热力学定律和分子动理论,下列说法正确的是 (  B  )

  A.布朗运动就是液体分子的运动,它说明了分子在永不停息地做无规则运动   

B.密封在容积不变的容器内的气体,若温度升高,则气体分子对器壁单位面积上的平均作用力增大

C.第二类永动机违反了能量守恒定律,所以不可能制成

D.根据热力学第二定律可知,热量能够从高温物体传到低温物体,但不可能从低温物体传到高温物体

试题详情


同步练习册答案