题目列表(包括答案和解析)

 0  170032  170040  170046  170050  170056  170058  170062  170068  170070  170076  170082  170086  170088  170092  170098  170100  170106  170110  170112  170116  170118  170122  170124  170126  170127  170128  170130  170131  170132  170134  170136  170140  170142  170146  170148  170152  170158  170160  170166  170170  170172  170176  170182  170188  170190  170196  170200  170202  170208  170212  170218  170226  447348 

17.(16分)如图所示为检测某传感器的电路图,传感器上标有“3V   0.9W”的字样(传感器可看作一个纯电阻),滑动变阻器R0上标有“10Ω  1A”的字样,电流表的量程为0.6A,电压表的量程为3V.

  (1)根据传感器上的标注,计算该传感器的电阻和

额定电流.

  (2)若电路各元件均完好,检测时,为了确保电路

各部分的安全,在ab之间所加的电源电压的

最大值是多少?

  (3)根据技术资料可知,如果传感器的电阻变化超过

1Ω,则该传感器就失去了作用.实际检测时,将一个电压恒定的电压加在图中ab之间(该电源电压小于上述所求电压的最大值),闭合开关S,通过调节R0来改变电路中的电流和R0两端的电压.检测记录如下:

 
电压表示数U/V
电流表示数I/A
第一次
1.48
0.16
第二次
0.91
0.22

若不计检测电路对传感器电阻的影响,通过计算分析,你认为这个传感器是否仍可使用?此时ab所加的电压是多少?

试题详情

16.(16分)如图所示,平行金属导轨竖直放置,仅在虚线MN下面的空间存在着磁感应强度随高度变化的磁场(在同一水平线上各处磁感应强度相同),磁场方向垂直纸面向里导轨上端跨接一定值电阻R,质量为m的金属棒两端各套在导轨上并可在导轨上无摩擦滑动,导轨和金属棒的电阻不计,将导轨从O处由静止释放,进入磁场后正好做匀减速运动,刚进入磁场时速度为v,到达P处时速度为v/2,O点和P点到MN的距离相等,求:

  (1)求金属棒在磁场中所受安培力F1的大小;

  (2)若已知磁场上边缘(紧靠MN)的磁感应强度为B0,求P

磁感应强度BP

  (3)在金属棒运动到P处的过程中,电阻上共产生多少热量?

试题详情

15.(14分)如图甲所示是一种自行车上照明用的车头灯,图乙是这种车头灯发电机的结构示意图,转轴的一端装有一对随轴转动的磁极,另一端装有摩擦小轮.电枢线圈绕在固定的U形铁芯上,自行车车轮转动时,通过摩擦小轮带动磁极转动,使线圈中产生正弦交变电流,给车头灯供电.

已知自行车车轮半径cm,摩擦小轮半径cm,线圈有n=800匝,线圈横截面积S=20cm2,总电阻R1=40Ω,旋转磁极的磁感应强度B=0.010T,车头灯电阻R2=10Ω.当车轮转动的角速度=8rad/s时,求:

  (1)发电机磁极转动的角速度;

  (2)车头灯中电流的有效值.

试题详情

14.(14分)在开展研究性学习的过程中,某同学设计了一个利用线圈测量转轮转速的装置.如图所示,在轮子的边缘贴上小磁体,将小线圈靠近轮边放置,接上数据采集器和电脑(即DIS实验器材).如果小线圈的面积为S,圈数为N匝,小磁体附近的磁感应强度最大值为B,回路的总电阻为R,实验发现,轮子转过θ角,小线圈的磁感应强度由最大值变为零.因此,他说“只要测得此时感应电流的平均值I,就可以测出转轮转速的大小.”请你运用所学的知识,通过计算对该同学的结论作出评价.

试题详情

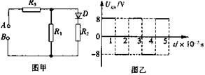
13.(14分)如图甲所示的电路中,D为二极管(正向电阻为零,反向电阻为无穷大),,当在AB间加上如图乙所示的交流电压时,求:

  (1)在0-1×10-2s时间内通过R1的电流;

  (2)1s内电阻R3所消耗的电能.

试题详情

12.(10分)为了测定和描绘“220V  40W”的白炽灯灯丝的伏安特性曲线,可以利用调压变压器供电.调压变压器上一一种自耦变压器,它只有一组线圈L,绕在闭合的环形铁芯上,输入端接在220B交流电源的火线与零线之间,输出端有一个滑动触头P,移动它的位置,就可以使输出电压在0-250V之间连续变化,如图所示,画出的是调压变压器的电路图符号.实验室备有交流电压表、交流电流表、滑动变阻器、电键、导线等实验器材.

(1)在图中完成实验电路图.

  (2)说明按的实验电路图进行测量,如果电表内阻的影响不能忽略,

电压较高段与电压较低段相比较,哪段误差更大?为什么?

___________       ______.

试题详情

11.(12分)(1)有一个称为“千人震”的趣味物理小实验,实验是用一节电动势为1.5V的新干电池,几根导线、开关和一个用于日光灯上的镇流器,几位做这个实验的同学手拉手成一串,另一位同学将电池、镇流器、开关用导线将它们首、尾两位同学两个空着的手相连,如图所示,在通或断时就会使连成一串的同学都有触电感觉,该实验原理是___________;人有触电感觉时开关是通,还是断的瞬间_________,因为_____________.

 (2)在操场上,两同学相距L为10m左右,在东偏北、西偏南11°的沿垂直于地磁场方向的两个位置上,面对面将一并联铜芯双绞线,象甩跳绳一样摇动,并将线的两端分别接在灵敏电流计上.双绞线并联后的电阻R为2Ω,绳摇动的频率配合节拍器的节奏,保持f=2Hz.如果同学摇动绳子的最大圆半径h=1m,电流计的最大值I=3mA.

①试估算地磁场的磁感应强度的数量级

_________.数学表达式B=___________.(用R,I,L,f,h等已知量表示)

②将两人的位置改为与刚才方向垂直的两点上,那么电流计的读数_________

试题详情

10.在图中的(a)、(b)、(c)中除导体棒ab可动外,其余部分均固定不动,(a)图中的电容器C原来不带电,设导体棒、导轨和直流电源的电阻均可忽略,导体棒和导轨间的摩擦也不计.图中装置均在水平面内,且都处于方向垂直水平面(即纸面)向下的匀强磁场中,导轨足够长,今给导体棒ab一个向右的初速度v0,导体棒的最终运动状态是    (   )

A.三种情况下,导体棒ab最终都是匀速运动

B.图(a)、(c)中ab棒最终将以不同的速度做匀速运动;图(b)中ab棒最终静止

     C.图(a)、(c)中,ab棒最终将以相同的速度做匀速运动

     D.三种情况下,导体棒ab最终均静止

第Ⅱ卷(非选择题,共110分)

试题详情

9.振弦型频率传感器的结构如图所示,它由钢弦和永磁铁两部分组成,钢弦上端用固定夹

  块夹紧,下端的夹块与一膜片相连接,当弦上的张力越大时,弦的固有频率越大.这种

  装置可以从线圈输出电压的频率确定膜片处压力的变化.下列说法正确的是    (   )

     A.当软铁块与磁铁靠近时,a端电势高

     B.当软铁块与磁铁靠近时,b端电势高

     C.膜上的压力较小时,线圈中感应电动势的频率高

     D.膜上的压力较大时,线圈中感应电动势的频率高

试题详情

8.如图所示,一根长导线弯成“n”形,通以直流电I,正中间用不计长度的一段绝缘线悬

  挂一金属环C,环与导线处于同一竖直平面内,在电流I增大的过程中,下列叙述正确的

  是                                                                               (   )

A.金属环C中无感应电流产生  

     B.金属环C中有沿逆时针方向的感应电流

     C.悬挂金属环C的竖直线拉力变大 

     D.金属环C仍能保持静止状态

试题详情


同步练习册答案