0  123935  123943  123949  123953  123959  123961  123965  123971  123973  123979  123985  123989  123991  123995  124001  124003  124009  124013  124015  124019  124021  124025  124027  124029  124030  124031  124033  124034  124035  124037  124039  124043  124045  124049  124051  124055  124061  124063  124069  124073  124075  124079  124085  124091  124093  124099  124103  124105  124111  124115  124121  124129  447090 

18、(4分)图12是小华同学探究“让线圈转起来”的实验装置图。线圈能够转动的原因是          ,在实验中为了使线圈能持续转动,应采取的办法是           ;要想使线圈的转动方向与原来的相反,采用           或者            的方法。

试题详情

17、(4分)如图11,将两盏灯和一个三孔插座接入电路,要求开关能同时控制两盏灯,且灯都能正常发光。

试题详情

16、仔细观察图10。图中的每个“●”各表示一种不同形式的能量。“→”表示能量的转化方向。找出它们的规律后,填上图中的两空。(1)           (2)         

试题详情

15、仔细观察图9中麦克风的结构示意图,当人对着麦克风说话时,声带的振动会带动膜片的          。与膜片相连的线圈也跟着一起          ,线圈在磁场中的这种运动,能产生随着声音的变化而变化的          ,经放大后,通过扬声器还原成声音。

试题详情

14、如图8所示,挂在弹簧测力计下方的铁块置于一匝数可调的电磁铁的上方。

(1)当开关S由4到3时,弹簧测力计的示数将变大,这说明电磁铁通电时          

(2)当S接2时,要想使弹簧测力计的示数(在测量范围内)变大,图中可采取的方法有          (写出一条即可)。

试题详情

13、煮牛奶时,为了保持牛奶的营养成份。不能用高温煮沸,为此人们制造了一种“低压锅”,用这种锅煮牛奶时,可以使牛奶里的水不到100℃就沸腾。这种“低压锅”的物理原理是:        

试题详情

12、我国已于2006年1月1日开始实施《可再生能源法》。这部法律不仅向人们显示了可再生能源对于未来社会生活的重大意义,同时,也为可再生能源未来的发展指明了方向。

(1)目前我国常用的能源有煤炭,石油、天然气、风能、水能、核燃料、太阳能等.其中属于可再生能源的是          

(2)与不可再生能源相比,可再生能源的主要优点是(只要求写1条)         

试题详情

11、电磁波          叫做频率,若某电台教育频道的频率为,则这套节目的波长是          m。(电磁波传播速度:)

试题详情

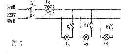
10、电工师傅常用一只标有“220V  40W”的灯泡(检验灯泡)取代保险丝来检查新安装的照明电路中每个支路的情况,如图7所示。当只闭合不亮;当只闭合都呈暗红色;当只闭合正常发光。由此可以判断

A、所在支路短路                    B、所在支路短路

C、所在支路短路                        D、各支路均完好

试题详情

9、如图6所示的家庭电路中,有两个器件连接错误,它们是

   A.闸刀开关和带开关的灯泡

   B.带开关的灯泡和带熔丝的二线插座

   C.闸刀开关和三线插座

   D.带开关的灯泡和三线插座

试题详情


同步练习册答案