0  254850  254858  254864  254868  254874  254876  254880  254886  254888  254894  254900  254904  254906  254910  254916  254918  254924  254928  254930  254934  254936  254940  254942  254944  254945  254946  254948  254949  254950  254952  254954  254958  254960  254964  254966  254970  254976  254978  254984  254988  254990  254994  255000  255006  255008  255014  255018  255020  255026  255030  255036  255044  447090 

22. -I’m sorry, sir. I didn’t mean to hurt you by showing you those pictures?

- ______,it just reminded me of my old friends.

A. That’s right     B.  All the best    C. No sorry, please    D. Never mind

试题详情

21. -See you later, Mr. Black. Pleased ______.

-Me too. See you later.

A. to meet you     B. to have met you  C. meeting you  D. having met you

试题详情

第二节  听第6段材料,回答第6至7题

6. Who is Steve?

A. The man’s friend.   B. Mrs Clarke’s husband.  C. The woman’s workmate.

7. When did Steve hurt himself?

A. Last week.     B. Yesterday.      C.A month ago.

听第7段材料,回答第8至10题。

8. What is the conversation mainly about?

A. How to read the instructions.   

B. How to use the cell phone.

C. How to pay the phone bill.

9. How often should the woman recharge the batteries?

A. Every few days.   B. Every few weeks.    C. Every few months.

10. Why should the woman take care of the batteries?

A. They are easily broken.  B. They are easily recharged.  C. They are easily paid.

听第8段材料,回答第11至13题。

11. Why is the man late?

A. He forgot to look at his watch.  

B. The maths teacher kept him in her office. 

C. The maths class lasted longer than it should.

12. What do we know about the students?

A. They don’t mind the man’s being late.  

B. They don’t want to hurt the teacher.   

C. They prefer to learn more maths.

13. What’s the man most likely to do?

A. Talk to maths teacher.   

B. Remain silent about the problem.

C. Let it be.

听第9段材料,回答第14至16题

14. What will the woman go to Shanghai to do ?

A. Buy a bird.   B. Have a holiday.   C. Look after her father.

15. What does the woman ask the man to do?

A. Look after her bird.    B. Write a letter.     C. Go with her.

16. What’s the probable relationship between the two speakers?

A. Strangers.    B. Friends.     C. A couple.

听第10段材料,回答第17至20题。

17. What’s the passage mainly talking about?

A. The United States.

B. The life of deaf people.

C. Special news programmes for deaf people.

18. How is the news reported for deaf people?

A. By using words.    B.By using pictures.   C.By using sign language.

19. What does “putting two hands together” mean?

A. Sandwich.      B. House.     C .Quiet.

20. How does the actor express “Quiet” ?

A. By standing up.  B. By pointing at an actor’s mouth.  C. By waving out hands. 

试题详情

第一节  听下面5段对话。每段对话仅读一篇。

1. What does the man mean?

A. The shirt is not the right size.  B. He likes the shirt, too.  C. He has no idea.                                                                                                                                                                                                                                                                                                                                                                                          

2. Why didn’t the man carry the old man to safety?

A. He can go there himself.   B. The road is crowded.   C. He is badly hurt.

3. Who wanted to borrow the camera?

A. Mary.     B. Jane.     C. Alice.

4. How much will the man pay?

A. $16.     B. $30.     C. $32.

5. What does the man suggest?

A. Having the old TV set repaired.  

B. Selling the old TV set.

C. Buying a new TV set.

试题详情

18.(09年广东物理)(15分)如图18(a)所示,一个电阻值为R ,匝数为n的圆形金属线与阻值为2R的电阻R1连结成闭合回路。线圈的半径为r1 . 在线圈中半径为r2的圆形区域存在垂直于线圈平面向里的匀强磁场,磁感应强度B随时间t变化的关系图线如图18(b)所示。图线与横、纵轴的截距分别为t0B0 . 导线的电阻不计。求0至t1时间内

(1)通过电阻R1上的电流大小和方向;

(2)通过电阻R1上的电量q及电阻R1上产生的热量。

解析:⑴由图象分析可知,0至时间内 

由法拉第电磁感应定律有

由闭合电路欧姆定律有

联立以上各式解得

通过电阻上的电流大小为

 由楞次定律可判断通过电阻上的电流方向为从b到a

⑵通过电阻上的电量

通过电阻上产生的热量

试题详情

24.(09年上海物理)(14分)如图,光滑的平行金属导轨水平放置,电阻不计,导轨间距为l,左侧接一阻值为R的电阻。区域cdef内存在垂直轨道平面向下的有界匀强磁场,磁场宽度为s。一质量为m,电阻为r的金属棒MN置于导轨上,与导轨垂直且接触良好,受到F=0.5v+0.4(N)(v为金属棒运动速度)的水平力作用,从磁场的左边界由静止开始运动,测得电阻两端电压随时间均匀增大。(已知l=1m,m=1kg,R=0.3W,r=0.2W,s=1m)

(1)分析并说明该金属棒在磁场中做何种运动;

(2)求磁感应强度B的大小;

(3)若撤去外力后棒的速度v随位移x的变化规律满足vv0x,且棒在运动到ef处时恰好静止,则外力F作用的时间为多少?

(4)若在棒未出磁场区域时撤去外力,画出棒在整个运动过程中速度随位移的变化所对应的各种可能的图线。

解析:(1)金属棒做匀加速运动,R两端电压UµIµeµvU随时间均匀增大,即v随时间均匀增大,加速度为恒量;

(2)F-=ma,以F=0.5v+0.4

代入得(0.5-)v+0.4=a

av无关,所以a=0.4m/s2,(0.5-)=0

B=0.5T

(3)x1at2v0x2atx1+x2s,所以at2+ats

得:0.2t2+0.8t-1=0,t=1s,

(4)可能图线如下:

试题详情

23.(09年北京卷)(18分)单位时间内流过管道横截面的液体体积叫做液体的体积流量(以下简称流量)。由一种利用电磁原理测量非磁性导电液体(如自来水、啤酒等)流量的装置,称为电磁流量计。它主要由将流量转换为电压信号的传感器和显示仪表两部分组成。

传感器的结构如图所示,圆筒形测量管内壁绝缘,其上装有一对电极和c,a,c间的距离等于测量管内径D,测量管的轴线与a、c的连接放像以及通过电线圈产生的磁场方向三者相互垂直。当导电液体流过测量管时,在电极a、c的间出现感应电动势E,并通过与电极连接的仪表显示出液体流量Q。设磁场均匀恒定,磁感应强度为B。

(1)已知,设液体在测量管内各处流速相同,试求E的大小(去3.0)

(2)一新建供水站安装了电磁流量计,在向外供水时流量本应显示为正值。但实际显示却为负值。经检查,原因是误将测量管接反了,既液体由测量管出水口流入,从如水口流出。因为已加压充满管道。不便再将测量管拆下重装,请你提出使显示仪表的流量指示变为正直的简便方法;

(3)显示仪表相当于传感器的负载电阻,其阻值记为 a、c间导电液体的电阻r随液体电阻率色变化而变化,从而会影响显示仪表的示数。试以E、R。r为参量,给出电极a、c间输出电压U的表达式,并说明怎样可以降低液体电阻率变化对显示仪表示数的影响。

解析:

(1)导电液体通过测量管时,相当于导线做切割磁感线的运动,在电极a、c 间切割感应线的液柱长度为D, 设液体的流速为v,则产生的感应电动势为

E=BDv       ①

由流量的定义,有Q=Sv=     ②

式联立解得 

代入数据得 

(2)能使仪表显示的流量变为正值的方法简便,合理即可,如:

改变通电线圈中电流的方向,使磁场B反向,或将传感器输出端对调接入显示仪表。

(3)传感器的显示仪表构成闭合电路,有闭合电路欧姆定律

        

     ③

输入显示仪表是a、c间的电压U,流量示数和U一一对应, E 与液体电阻率无关,而r随电阻率的变化而变化,由③式可看出, r变化相应的U也随之变化。在实际流量不变的情况下,仪表显示的流量示数会随a、c间的电压U的变化而变化,增大R,使R>>r,则U≈E,这样就可以降低液体电阻率的变化对显示仪表流量示数的影响。

试题详情

24.(09年全国卷Ⅱ) (15分)如图,匀强磁场的磁感应强度方向垂直于纸面向里,大小随时间的变化率 为负的常量。用电阻率为、横截面积为的硬导线做成一边长为的方框。将方框固定于纸面内,其右半部位于磁场区域中。求

(1)      导线中感应电流的大小;

(2)      磁场对方框作用力的大小随时间的变化。

(1);(2)

解析:本题考查电磁感应现象.(1)线框中产生的感应电动势

……①

在线框产生的感应电流……②

,……③

联立①②③得

(2)导线框所受磁场力的大小为,它随时间的变化率为,由以上式联立可得

试题详情

18.(09年福建卷)如图所示,固定位置在同一水平面内的两根平行长直金属导轨的间距为d,其右端接有阻值为R的电阻,整个装置处在竖直向上磁感应强度大小为B的匀强磁场中。一质量为m(质量分布均匀)的导体杆ab垂直于导轨放置,且与两导轨保持良好接触,杆与导轨之间的动摩擦因数为u。现杆在水平向左、垂直于杆的恒力F作用下从静止开始沿导轨运动距离L时,速度恰好达到最大(运动过程中杆始终与导轨保持垂直)。设杆接入电路的电阻为r,导轨电阻不计,重力加速度大小为g。则此过程

A.杆的速度最大值为

B.流过电阻R的电量为

C.恒力F做的功与摩擦力做的功之和等于杆动能的变化量

D.恒力F做的功与安倍力做的功之和大于杆动能的变化量

答案:BD

解析:当杆达到最大速度vm时,,A错;由公式,B对;在棒从开始到达到最大速度的过程中由动能定理有:,其中,恒力F做的功与摩擦力做的功之和等于杆动能的变化量与回路产生的焦耳热之和,C错;恒力F做的功与安倍力做的功之和等于于杆动能的变化量与克服摩擦力做的功之和,D对。

(09年浙江卷)17.如图所示,在磁感应强度大小为B、方向竖直向上的匀强磁场中,有一质量为、阻值为的闭合矩形金属线框用绝缘轻质细杆悬挂在点,并可绕点摆动。金属线框从右侧某一位置静止开始释放,在摆动到左侧最高点的过程中,细杆和金属线框平面始终处于同一平面,且垂直纸面。则线框中感应电流的方向是

A.

B.

C.先是,后是

D.先是,后是

答案:B

解析:由楞次定律,一开始磁通量减小,后来磁通量增大,由“增反”“减同”可知电流方向是

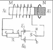
(09年海南物理)4.一长直铁芯上绕有一固定线圈M,铁芯右端与一木质圆柱密接,木质圆柱上套有一闭合金属环N,N可在木质圆柱上无摩擦移动。M连接在如图所示的电路中,其中R为滑线变阻器,为直流电源,S为单刀双掷开关。下列情况中,可观测到N向左运动的是

A.在S断开的情况下,S向a闭合的瞬间

B.在S断开的情况下,S向b闭合的瞬间

C.在S已向a闭合的情况下,将R的滑动头向c端移动时

D.在S已向a闭合的情况下,将R的滑动头向d端移动时

答案:C

试题详情

20.(09年重庆卷)题20图为一种早期发电机原理示意图,该发电机由固定的圆形线圈和一对用铁芯连接的圆柱形磁铁构成,两磁极相对于线圈平面对称,在磁极绕转轴匀速转动过程中,磁极中心在线圈平面上的投影沿圆弧运动,(是线圈中心),则

A.从X到O,电流由E经G流向F,先增大再减小

B.从X到O,电流由F经G流向E,先减小再增大

C.从O到Y,电流由F经G流向E,先减小再增大

D.从O到Y,电流由E经G流向F,先增大再减小

答案:D

试题详情


同步练习册答案