0  257592  257600  257606  257610  257616  257618  257622  257628  257630  257636  257642  257646  257648  257652  257658  257660  257666  257670  257672  257676  257678  257682  257684  257686  257687  257688  257690  257691  257692  257694  257696  257700  257702  257706  257708  257712  257718  257720  257726  257730  257732  257736  257742  257748  257750  257756  257760  257762  257768  257772  257778  257786  447090 

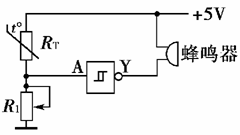
9.如图所示是一个基本逻辑电路。声控开关、光敏电阻、小灯泡等元件构成的一个自动控制电路。该电路的功能是在白天无论声音多么响,小灯泡都不会亮,在晚上,只要有一定的声音,小灯泡就亮。这种电路现广泛使用于公共楼梯间,该电路虚线框N中使用的是门电路.则下面说法正确的是(   )

A.R2为光敏电阻,N为与门电路

B.R2为光敏电阻,N 为或门电路

C.R1为光敏电阻,N为或门电路

D.R1为光敏电阻,N为与门电路

试题详情

8.一条弹性绳子呈水平状态,M为绳子中点,两端PQ同时开始上下振动,一小段时间后产生的波形如图,机械波的传播速度由介质决定,对于其后绳上各点的振动情况,以下判断正确的(   )

A.波源P的起振方向是向上的

B.波源Q产生的波将先到达中点M

C.中点M的振动始终是加强的

D.M点的位移大小在某时刻可能为零

试题详情

7.图示为一列沿x轴负方向传播的简谐横波,实线为t=0时刻的波形图,虚线为t=0.6 s时的波形图,波的周期T>0.6 s,则

A.波的周期为2.4 s

B.在t=0.9s时,P点沿y轴正方向运动

C.经过1.2s,Q点经过的路程1.2m

D.在t=0.7s时,Q点到达波谷位置

试题详情

6. 奶粉的碳水化合物(糖)的含量是一个重要指标,可以用“旋光法”来测量糖溶液的浓度,从而鉴定糖含量。偏振光通过糖的水溶液后,偏振方向会相对于传播方向向左或向右旋转一个角度α,这一角度α称为“旋光度”,α的值只与糖溶液的浓度有关,将α的测量值与标准值相比较,就能确定被测样品的含糖量了。如图所示,S是自然光源,A、B是偏振片,转动B,使到达O处的光最强,然后将被测样品P置于A、B之间,则下列说法中正确的是(   )

A.   到达O处的光的强度会明显减弱

B.   到达O处的光的强度不会明显减弱

C.   偏振片A不动,将偏振片B转动一个角度,使得O处光强度最大,偏振片B转过的角度等于α

D.   偏振片B不动,将偏振片A转动一个角度,使得O处光强度最大,偏振片A转过的角度等于α

试题详情

5. 如图所示,水下光源S向水面A点发射一束复色光线,折射光线分成a,b两束,则下列说法正确的是(  )

A.在水中a光的速度比b光的速度小

B.用同一双缝干涉实验装置做实验,a光的干涉条纹间距大于b光的间距

C.若a、b两种单色光由玻璃射向空气时,a光的临界角较小

D.若保持入射点A位置不变,将入射光线顺时针旋转,则从水面上方观察,a光先消失

试题详情

4. 下面哪些应用没有利用多普勒效应

A.利用地球接收到遥远天体发出的光波的频率变化来判断遥远天体相对于地球的运动速度

B.交通警察向行进中的汽车发射一个已知频率的电磁波,波被运动的汽车反射回来,根据接收到的波频率变化,就知道汽车的速度

C.有经验的战士从炮弹飞行的尖叫声可判断飞行炮弹是接近还是远去

D.铁路工人用耳朵贴在铁轨上可判断火车的运动情况

试题详情

3. 对于单缝衍射实验现象,以下正确的是(  )

  A.波长一定时,缝的宽度越小,中央亮条纹的宽度越窄

  B.单缝不变时,波长大单色光的中央亮纹越宽,条纹间隔越大

C.白光的单缝衍射条纹为中央亮纹,两侧为彩色条纹,且外侧呈红色,靠近中央亮纹的内侧为紫色.

 D.入射光的频率越大,衍射现象越明

试题详情

2.如图所示,一个弹簧振子在A、B两点间做简谐运动,O点为平衡位置,下列说法中正确的有(   )

  A.若A、B两点之间的距离增大,则简谐运动的周期变大

B.它经过O点时加速度方向要发生变化

C.它远离O点时作匀减速运动

  D.它由O点向B点运动过程中小球动能减少,弹簧弹性势能增加,系统机械能不变

试题详情

1. 激光全息照相技术主要是利用激光的哪一种优良特性(  )

A.亮度高

B.方向性好

C.相干性好

D.抗电磁干扰能力强

试题详情

22.(本小题满分14分)已知中心在原点,焦点在轴上的椭圆C的离心率与双曲线 的离心率互为倒数,且经过点,过点P(2,1)的直线与椭圆C在第一象限相切于

点M .

  (1)求椭圆C的方程;

  (2)求直线的方程以及点M的坐标;

  (3)是否存过点P的直线与椭圆C相交于不同的两点A、B,满足?若存在,求出直线l1的方程;若不存在,请说明理由.

试题详情


同步练习册答案