0  268571  268579  268585  268589  268595  268597  268601  268607  268609  268615  268621  268625  268627  268631  268637  268639  268645  268649  268651  268655  268657  268661  268663  268665  268666  268667  268669  268670  268671  268673  268675  268679  268681  268685  268687  268691  268697  268699  268705  268709  268711  268715  268721  268727  268729  268735  268739  268741  268747  268751  268757  268765  447090 

31.已知A、B是初中化学中常用的两种黑色物质,根据物质间的变化关系回答下列问题:

 

(1)试写出:A的化学式是     ;气体C的化学式是     

(2)写出气体E与B反应的化学方程式                  

(3)A+B之间的反应属于      反应。(填基本反应类型)

试题详情

30.某实验小组设计了如图两套装置来验证二氧化碳确实与氢氧化钠溶液发生了反应。

(1)小红挤压装置甲的胶头滴管,可观察到U形管中的红墨水液面左高右低,甚至红墨水被吸

入集气瓶中,广口瓶中发生的化学反应方程式为                 

(2)小明挤压装置乙的胶头滴管,将其中的NaOH溶液挤入烧瓶中,松开铁夹,此时可看到的现象是                 

 

试题详情

29.家用燃料发展历程可用下图表示:

 

煤及石油的形成过程:如图所示,远古时期陆地和海洋中的植物,通过光合作用,将太阳能转化为生物体的化学能。在它们死后,躯体埋在地下和海底,腐烂了。沧海桑田,经过几百万年的沉积、化学变化、地层的运动,在高压下渐渐变成了煤和石油。在石油形成过程中还放出天然气。根据以上资料,回答下列问题:

(1)煤被称为“工业粮食”,主要含    元素,是有机物和无机物所组成的复杂混合物。

(2)石油被称为“工业血液”,主要是含碳、氢元素的混合物,石油炼制即蒸馏属于   变化。

(3)居民家中使用的液化石油气、天然气、煤气中常加入一种有臭味的物质(硫醇),其作用是       

(4)天然气的主要成分是甲烷,甲烷燃烧的化学方程式为:              

(5)煤燃烧排放到空气中的有害气体主要是二氧化硫(SO2),它遇雨水后能够形成酸雨,酸雨会对环境造成破坏。某居民家中每年冬季取暖用煤约400kg,所用煤中含硫的质量分数约1%。若其中的硫元素全部转化为二氧化硫,那么该居民家中每年冬季取暖向大气中排放约    kg的二氧化硫。

试题详情

28.2009年11月27日,河北省城镇面貌“三年大变样,推进城镇化”工作调度电视电话会上,石家庄提出了明年将瞄准打造“全国第一低碳城”的目标。我国科技部网站为公众提供了一个节能减排计算器,可以精确计算衣、食、住、行、用的节能减排量。

(1)一个三口之家, 将空调设定温度比自己习惯提高1摄氏度,即可节省电耗7%-8%,降低高峰负荷50至60千瓦,相当于熄灭了     盏100瓦灯。

(2)滨河新区建设中大面积使用太阳能、地热能等。“低碳城市”的建设减少了      气体的排放,有助于减缓全球气候变暖的趋势。

试题详情

27.据报道,中国汽车驶入“无油”时代,新河北农用车汽车的发展方向有多种。

(1)氢燃料电池。汽车最理想的清洁燃料是氢气,但氢动力汽车目前还不能普及,原因是

                  。(答出一点即可)

(2)采用甲醇、乙醇等低成本液体燃料。甲醇、乙醇等采用粮食作为原料,属于     (选填“可再生”或“不可再生”)能源,但如果大量使用会导致全球粮价连续上升。

(3)纯电动汽车则是大力发展方向。纯电动车的驱动电动机的作用涉及的能量变化是  

      ,通过传动装置或直接驱动车轮和工作装置。

试题详情

26.小明到肯德基店里吃快餐,发现了一些物理知识,你也来试着回答一下:

(1)餐厅内能闻道浓浓的香味,这是       现象;

(2)喝饮料时,吸管上一端做成尖尖的,是为了             

(3)我们看番茄酱呈现“红色”是因为              

(4)加了冰的可乐中,冰块浮在液面上,是因为               

(5)旁边为小朋友准备的滑梯,当小朋友从滑梯上加速滑下时,机械能     ,内能    。(选填“变大”“变小”或“不变”)

试题详情

25.电动自行车是一种人们常用的、简便无污染的交通工具。仔细观察电动自行车的构造,想想

你的使用过程,结合所学有关知识,请提出两个与物理知识有关的问题,并针对提出的问题作

出简要的回答。 

问题1:                 ?回答1:                  

问题2:                ?回答2:                  

试题详情

24.如图的电路中,电源电压恒定。闭合开关S后,调节滑动变阻器,两电压表的示数随电流变

化的图象如图所示,根据图象可知:    (选填“a”或“b”)是电压表V2 示数变化的图象,

电源电压为    V,电阻Rl的阻值为   Ω,变阻器的最大阻值为   Ω。

 

试题详情

23.小明做探究“平面镜成像的特点”的实验时,将玻璃板竖直放在桌面

上(如图),取两段同样的蜡烛,把蜡烛A点燃放在玻璃板的前方,将

蜡烛B放置在玻璃板的后方。

(1)调节蜡烛B的位置,直到       时,蜡烛B的

位置即为蜡烛A的像所在的位置;

(2)取两段同样的蜡烛是为了比较像和物体      的关系;

(3)移去蜡烛B,在其原来的位置放一块光屏,光屏上不能承接到蜡烛A的像,这说明平面镜

所成的像是    (选填“虚”或“实”)像。

试题详情

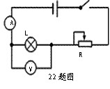
22.如图电源电压为6V,L的阻值为8Ω,R的阻值为0-20Ω,电流表量程为0-0.6A,电压表的

量程为0-3V,两表均要在其量程范围内使用,以下判断正确

的是…………………………………………………………( )

A. 变阻器的取值范围为2-8Ω

B. 灯L消耗的最大功率为2.88W

C. 电路中的最小电流为0.375A

D. 灯L消耗的最大功率为1.125W

总分
核分人
 
 

文安县2010年中考模拟考试

理 科 综 合 试 卷

卷II(非选择题,共76分)

以下数据可供解题时参考:相对原子质量Ca-40  C-12  S-32  O-16

试题详情


同步练习册答案