0  424695  424703  424709  424713  424719  424721  424725  424731  424733  424739  424745  424749  424751  424755  424761  424763  424769  424773  424775  424779  424781  424785  424787  424789  424790  424791  424793  424794  424795  424797  424799  424803  424805  424809  424811  424815  424821  424823  424829  424833  424835  424839  424845  424851  424853  424859  424863  424865  424871  424875  424881  424889  447090 

2.理想变压器的理想化条件及其规律.

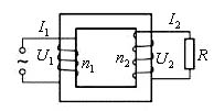
在理想变压器的原线圈两端加交变电压U1后,由于电磁感应的原因,原、副线圈中都将产生感应电动势,根据法拉第电磁感应定律有:

忽略原、副线圈内阻,有   U1E1 , U2E2

另外,考虑到铁心的导磁作用而且忽略漏磁,即认为在任意时刻穿过原、副线圈的磁感线条数都相等,于是又有   

由此便可得理想变压器的电压变化规律为

在此基础上再忽略变压器自身的能量损失(一般包括线圈内能量损失和铁芯内能量损失这两部分,分别俗称为“铜损”和“铁损”),有P1=P2    而P1=I1U1   P2=I2U2

于是又得理想变压器的电流变化规律为

由此可见:

(1)理想变压器的理想化条件一般指的是:忽略原、副线圈内阻上的分压,忽略原、副线圈磁通量的差别,忽略变压器自身的能量损耗(实际上还忽略了变压器原、副线圈电路的功率因数的差别.)

(2)理想变压器的规律实质上就是法拉第电磁感应定律和能的转化与守恒定律在上述理想条件下的新的表现形式.

试题详情

1.理想变压器的构造、作用、原理及特征

构造:两组线圈(原、副线圈)绕在同一个闭合铁芯上构成变压器.

作用:在输送电能的过程中改变电压.

原理:其工作原理是利用了电磁感应现象.

特征:正因为是利用电磁感应现象来工作的,所以变压器只能在输送交变电流的电能过程中改变交变电压.

试题详情

2、电电和电容对交流电的作用

[例8]如图所示,线圈的自感系数L和电容器的电容C都很小,此电路的重要作用是:

A.阻直流通交流,输出交流

B.阻交流通直流,输出直流

C.阻低频通高频,输出高频电流

D.阻高频通低频,输出低频和直流

解:线圈具有通直流和阻交流以及通低频和阻高频的作用,将线圈串联在电路中,如果自自系数很小,那么它的主要功能就是通直流通低频阻高频。

电容器具有通交流和阻直流以及通高频和阻低频的作用,将电容器并联在L之后的电路中。将电流中的高频成分通过C,而直流或低频成份被阻止或阻碍,这样输出端就只有直流或低频电流了,答案D

[例11] 一个灯泡通过一个粗导线的线圈与一交流电源相连接,如图所示.一块铁插进线圈之后,该灯将:

 A.变亮 B.变暗 C.对灯没影响

[分析] 这线圈和灯泡是串联的,因此加在串联电路两端的总电压一定是绕组上的电势差与灯泡上的电势差之和.由墙上插孔所提供的220伏的电压,一部分降落在线圈上,剩余的降落在灯泡上.如果一个大电压降落在线圈上,则仅有一小部分电压降落在灯泡上.灯泡上电压变小,将使它变暗.什么原因使得电压降落在线圈上呢?在线圈上产生压降的主要原因是其内部改变着的磁场.

 在线圈内由于改变磁场而产生的感应电动势,总是反抗电流变化的,正是这种反抗变化的特性(电惰性),使线圈产生了感抗.

 [答] B

 [说明] 早期人们正是用改变插入线圈中铁芯长度的方法来控制舞台灯光的亮暗的

[例12]如图所示电路中,三只电灯的亮度相同,如果交流电的频率增大,三盏电灯的亮度将如何改变?为什么?

 解析:当交变电流的频率增大时,线圈对交变电流的阻碍作用增大,通过灯泡L1的电流将因此而减小,所以灯泡L1的亮度将变暗;而电容对交变电流的阻碍作用则随交变电流频率的增大而减小,即流过灯泡L2的电流增大,所以灯泡L2的亮度将变亮.由于电阻的大小与交变电流的频率无关,流过灯泡L3的电流不变,因此其亮度也不变,

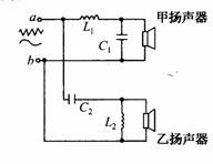
[例13]“二分频”,音箱内有两个不同口径的扬声器,它们的固有频率分别处于高音、低音频段,分别称为高音扬声器和低音扬声器.音箱要将扩音机送来的含有不同频率的混合音频电流按高、低频段分离出来,送往相应的扬声器,以便使电流所携带的音频信息按原比例还原成高、低频的机械振动.

   图为音箱的电路图,高、低频混合电流由a、b端输入,L.和级是线圈,C.和C:是电容器(BD)

   A.甲扬声器是高音扬声器

   B. C2的作用是阻碍低频电流通过乙扬声器

   C. L1的作用是阻碍低频电流通过甲扬声器

   D. L2的作用是减弱乙扬声器的低频电流

解析:线圈作用是“通直流,阻交流;通低频,阻高频”.电容的作用是“通交流、隔直流;通高频、阻低频”.高频成分将通过C2到乙扬声器,故乙是高音扬声器.低频成分通过石到甲扬声器.故甲是低音扬声器.L1的作用是阻碍高频电流通过甲扬声器.

试题展示

       变压器、电能输送

基础知识   一、变压器

试题详情

2.电容器对交变电流的阻碍作用

直流电流是不能通过电容器的,但在电容器两端加上交变电压时,通过电容器的充放电,即可实现电流“通过”电容器。这样,电容器对交变电流的阻碍作用就不是无限大了,而是有一定的大小,用容抗(XC)来表示电容器阻碍电流作用的大小,容抗的大小与交变电流的频率和电容器的电容有关,关系式为:.

此式表明电容器的电容越大,交变电流的频率越高,电容对电流的阻碍作用越小,容抗也就越小。

由于电容大的电容器对频率高的交流电流有很好的通过作用,因而可以做成高频旁路电容器,通高频、阻低频;利用电容器对直流的阻止作用,可以做成隔直电容器,通交流、阻直流。

电容的作用不仅存在于成形的电容器中,也存在于电路的导线、元件及机壳间,当交流电频率很高时,电容的影响就会很大.通常一些电器设备和电子仪器的外壳会给人以电击的感觉,甚至能使测试笔氖管发光,就是这个原因.

[例1] 如图所示为一低通滤波电路.已知电源电压包含的电流直流成分是240V,此外还含有一些低频的交流成分.为了在输出电压中尽量减小低频交流成分,试说明电路中电容器的作用.

[答] 电容器对恒定电流(直流成分)来说,相当于一个始终断开的开关,因此电源输出的直流成分全部降在电容器上,所以输出的电压中直流成分仍为240V.但交变电流却可以“通过”电容器,交流频率越高、电容越大,电容器的容抗就越小,在电容器上输出的电压中交流成分就越小.在本题的低通滤波电路中,为了要使电容器上输出的电压中,能将低频的交流成分滤掉,不输出到下一级电路中,就应取电容较大的电容器,实际应用中,取C>500μF.

[例2] 如图所示为一高通滤波电路,已知电源电压中既含有高频的交流成分,还含有直流成分.为了在输出电压中保留高频交流成分,去掉直流成分,试说明电路中电容器的作用.

[答] 电容器串联在电路中,能挡住电源中的直流成分,不使通过,相当于断路.但能让交流成分通过,交流频率越高、电容越大,容抗越小,交流成分越容易通过.因此在电阻R上只有交流成分的电压降.如果再使电阻比容抗大得多,就可在电阻上得到较大的高频电压信号输出.

规律方法  1、交流电图象的应用

[例3]一矩形线圈,绕垂直于匀强磁场并位于线圈平面的固定轴转动,线圈中的感应电动势e随时间t的变化如图,下面说法中正确的是:(CD)

  A、t1时刻通过线圈的磁通量为零;

  B、t2时刻通过线圈的磁通量的绝对值最大;

  C、t3时刻通过线圈的磁通量的绝对值最大;

D、每当e变换方向时,通过线圈的磁通量绝对值为最大。

解析:t1、t3时刻线圈中的感应电动势ε=0,即为线圈经过中性面的时刻,此时线圈的磁通量为最大,但磁通量的变化率却为零,所以选项A不正确。t2时刻ε=一Em,线圈平面转至与磁感线平行,此时通过线圈的磁通量为零,磁通量的变化率却为最大,故B也不正确.每当e的方向变化时,也就是线圈经过中性面的时刻,通过线圈的磁通量的绝对值都为最大,故D正确.

小结:①对物理图象总的掌握要点

   一看:看“轴”、看“线”看“斜率”看“点”.

   二变:掌握“图与图”、“图与式”、“图与物”之间的变通关系.

   三判:在此基础上进行正确的分析,判断.

②应用中性面特点结合右手定则与楞次定律,能快速、一些电磁感应现象问题.

[例4]一只矩形线圈匀强磁场中绕垂直于磁场的轴匀速转动穿,过线圈的磁通量随时间变化的图像如图中甲所示,则下列说法中正确的是( B )

A.t=0时刻线圈平面与中性面垂直

B.t=0.01s时刻,Φ的变化率达最大

C.t=0.02s时刻,交流电动势达到最大

D.该线圈相应的交流电动势图像如图乙所示

[例5]一长直导线通以正弦交流电i=ImsinωtA,在导线下有一断开的线圈,如图所示,那么,相对于b来说,a的电势最高时是在(C)

   A.交流电流方向向右,电流最大时

   B.交流电流方向向左,电流最大时

   C.交流电流方向向左,电流减小到0时

   D.交流电流方向向右,电流减小到0时

解析:若把i=ImsinωtA用图象来表示,可以由图象直观看出在i=0时,电流变化率最大,因此在周围产的磁场的变化率也最大,所以只能在C,D两个选项中选,再用假设法,设在a,b两点间接个负载形成回路,可判定出向左电流减小时,a点相当于电源正极,故C选项正确.

[例6]有一交流电压的变化规律为u=311sin314tV,若将一辉光电压最小值是220V的氖管接上此交流电压,则在1秒钟内氖管发光的时间是多少?

分析:根据氖管的发光条件|U|>220V,先计算在半个周期的时间内氖管发光的时间间隔△t,再算出1秒包含的半周期数n,两者相乘即是1秒钟内氖管发光的时间。

解:根据u=311sin314tV,可知周期为 

在0-T/2,即0-1/100s的时间内,将U=220V代入u=311sin314tV中,可得

氖管的发光时间为

1秒钟的时间包含的半周期数为

 

答:1秒钟内氖管的发光时间为0.5s。

解题技巧:交流电的瞬时值反映的是不同时刻交流电的大小和方向,瞬时值是时间的函数,不同时刻瞬时值是不一样的,要求熟练掌握正弦交流电瞬时值表达式。

[例7]如图所示,两块水平放置的平行金属板板长L = 1.4m,板距为d = 30cm ,两板间有B=1.5T、垂直于纸面向里的匀强磁场,在两板上加如图所示的脉动电压。在t = 0 时,质量为m = 2×10-15 Kg、电量为q = 1×10-10C的正离子,以速度v0 = 4×103m/s从两板中间水平射入,试问:

(1)粒子在板间作什么运动?画出其轨迹。

(2)粒子在场区运动的时间是多少?

解答:(1)在第一个10-4s内,电场、磁场同时存在,离子受电场力、洛仑兹力分别为F=Qe=q U/d =5×10-7N(方向向下)、f = Bqv=5×10-7(方向向上),离子作匀速直线运动。

位移为s = v0t = 0.4m

  在第二个10 - 4s内,只有磁场,离子作匀速圆周运动,r = mv0/Bq = 6.4×10-2 m<d/2,不会碰板,T = 2πm/Bq=1×10-4s,即正巧在无电场时离子转满一周。

 易知以后重复上述运动。

(2)因L/s = 1.4/0.4 = 3.5 ,离子在场区范围内转了3周,历时t1=3T=3×10-4 s ;

  另有作匀速运动的时间t2=L/vO=3.5×10-4 s 。

  总时间t = t1+t2=6.5×10-4 s 。

试题详情

电阻对交流电流和直流电流一样有阻碍作用,电流通过电阻时做功而产生热效应;电感对交流电流有阻碍作用,大小用感抗来表示,感抗的大小与电感线圈及交变电流的频率有关;电容对交流电流有阻碍作用,大小用容抗来表示,容抗的大小与电容及交变电流的频率有关。

1.电感对交变电流的阻碍作用

在交流电路中,电感线圈除本身的电阻对电流有阻碍作用以外,由于自感现象,对电流起着阻碍作用。如果线圈电阻很小,可忽略不计,那么此时电感对交变电流阻碍作用的大小,用感抗(XL)来表示。

由于交变电流大小和方向都在发生周期性变化,因而在通过电感线圈时,线圈上匀产生自感电动势,自感电动势总是阻碍交流电的变化。 又因为自感电动势的大小与自感系数(L)和电流的变化率有关,所以自感系数的大小和交变电流频率的高低决定了感抗的大小。关系式为:  XL=2πf L

此式表明线圈的自感系数越大,交变电流的频率越高,电感对交变电流的作用就越大,感抗也就越大。

自感系数很大的线圈有通直流、阻交流的作用,自感系数较小的线圈有通低频、阻高频的作用.

电感线圈又叫扼流圈,扼流圈有两种:一种是通直流、阻交流的低频扼流圈;另一种是通低频、阻高频的高频扼流圈。

试题详情

3.由于穿过线圈的磁通量与产生的感应电动势随时间变化的函数关系是互余的,因此利用这个关系也可以讨论穿过线圈的磁通量等问题.

试题详情

2.在图像中可由纵轴读出交流电的最大值,由横轴读出交流电的周期或线圈转过的角度θ=ωt.

试题详情

1.任何物理规律的表达都可以有表达式和图像两种方法,交流电的变化除用瞬时值表达式外,也可以用图像来进行表述.其主要结构是横轴为时间t或角度θ,纵轴为感应电动势E、交流电压U或交流电流I.

正弦交流电的电动势、电流、电压图像都是正弦(或余弦)曲线。交变电流的变化在图象上能很直观地表示出来,例如右图所示可以判断出产生这交变电流的线圈是垂直于中性面位置时开始计时的,表达式应为e = Emcosωt,图象中A、B、C时刻线圈的位置A、B为中性面,C为线圈平面平行于磁场方向。

试题详情

3、   交变电流的有效值是根据电流的热效应规定的:让交流和直流通过相同阻值的电阻,如果它们在相同的时间内产生的热量相等,就把这一直流的数值叫做这一交流的有效值。

  ⑴只有正弦交变电流的有效值才一定是最大值的/2倍。

⑵通常所说的交变电流的电流、电压;交流电表的读数;交流电器的额定电压、额定电流;保险丝的熔断电流等都指有效值。

(3)生活中用的市电电压为220V,其最大值为220V=311V(有时写为310V),频率为50HZ,所以其电压即时值的表达式为u=311sin314tV

[例7].交流发电机转子有n匝线圈,每匝线圈所围面积为S,匀强磁场的磁感应强度为B,匀速转动的角速度为ω,线圈内电阻为r,外电路电阻为R。当线圈由图中实线位置匀速转动90°到达虚线位置过程中,求:⑴通过R的电荷量q为多少?⑵R上产生电热QR为多少?⑶外力做的功W为多少?

   分析:⑴由电流的定义,计算电荷量应该用平均值:即,这里电流和电动势都必须要用平均值,不能用有效值、最大值或瞬时值

   ⑵求电热应该用有效值,先求总电热Q,再按照内外电阻之比求R上产生的电热QR。这里的电流必须要用有效值,不能用平均值、最大值或瞬时值。

   ⑶根据能量守恒,外力做功的过程是机械能向电能转化的过程,电流通过电阻,又将电能转化为内能,即放出电热。因此W=Q。一定要学会用能量转化和守恒定律来分析功和能。

试题展示

        交流电的图象、感抗与容抗

基础知识  一、.正弦交流电的图像

试题详情

2、   我们求交流电做功时,用有效值,求通过某一电阻电量时一定要用电流的平均值交流电,在不同时间内平均感应电动势,平均电流不同.考虑电容器的耐压值时则要用最大值。

试题详情


同步练习册答案