0  256790  256798  256804  256808  256814  256816  256820  256826  256828  256834  256840  256844  256846  256850  256856  256858  256864  256868  256870  256874  256876  256880  256882  256884  256885  256886  256888  256889  256890  256892  256894  256898  256900  256904  256906  256910  256916  256918  256924  256928  256930  256934  256940  256946  256948  256954  256958  256960  256966  256970  256976  256984  447090 

2.用分子动理论和能的转化的观点判断下列说法,其中正确的是 (   )

A.温度是物体分子热运动平均动能的标志

B.物体中一个分子的动能加一个分子的势能,就是一个分子的内能

C.改变物体内能的方式有做功和热传递,它们的本质是相同的

D.物理过程都是可逆的,能的转化不具有方向性

试题详情

1.下列物理量不属于矢量的是(   )         

A.磁感应强度       B.功      C.位移       D.速度

试题详情

题目在答卷纸上

试题详情

29.(8分)在如图(甲)所示的电路中,电阻R1 和R2都是纯电阻,它们的伏安特性曲线分别如图(乙)中OaOb所示。电源的电动势=7.0V,内阻忽略不计。

(1)调节滑动变阻器R3,使电阻R1R2消耗的电功率恰好相等,则此时电阻R1R2的阻值为      R3接入电路的阻值为      

(2)调节滑动变阻器R3,使R3=0,这时电阻R1的电功率P1      W,R2的电功率P2       W。

试题详情

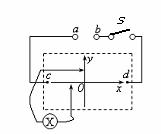
28.(6分)(1)如图所示为“描绘电场的等势线”的实验装置,其中ab处的电源应选用6V的      电源(选填“交流”或“直流”),电表X则选用量程适当,零刻度在刻度盘中央的灵敏电流计。

(2)如果以c、d两个电极的连线为x轴,以c、d连线的中垂线为y轴,并将一个探针固定置于y轴上的某一点,合上开关S,而将另一探针由O点左侧沿x轴正方向移到O点右侧的过程中,则电表X的指针与零刻度夹角的变化情况是:(    )

A.  逐渐增大       

B.逐渐减小  

C.先变大后变小     

D.先变小后变大

试题详情

27.(6分)登山运动员登上一无名高峰,但不知此山的高度,他们想迅速估测出高峰的海拔高度,于是他们利用所带的轻质绳子,系着山上不太规则的石子,做成简易单摆,用小钢卷尺来测绳子的长度L,用手表来测振动周期T,他们根据学过的物理知识很快就测出了此高峰的海拔高度。(地球表面的重力加速度g和地球半径R可作为已知条件。)

(1)他们至少要做    次实验,才能得到想要的数据;

(2)他们需要测量的数据是                   

(3)他们推导出的计算高峰的海拔高度的计算式是          

试题详情

26.(4分)在“研究共点力的合成”实验中,下列叙述中正确的是 :(    )

A.两次拉橡皮条时,需将橡皮条和细线的结点拉到同一位置,这样做是为了保证两次弹簧秤作用的效果相同;

B.实验中,用两弹簧秤将橡皮条结点拉到O点时,两弹簧秤之间的夹角应取90°不变,以便于计算合力的大小;

C.若橡皮条的拉力是合力,则两弹簧秤的拉力是分力;

D.两弹簧秤的拉力可以比橡皮条的拉力大。

试题详情

25.质量为m的物体静止在水平面上,从t = 0时刻开始受到水平力F的作用。力F的大小与时间t的变化关系如图所示,力的方向保持不变,滑动摩擦力的大小恒为F0,则在3t时刻的水平力F的瞬时功率为       ;在t=0到3t时间内的水平力F的平均功率为        

试题详情

24.如图所示,倾角为的光滑斜面上放有两个质量分别为m1m2的带电小球A、B,且m1=2m2,相距L。当开始释放时,B球刚好处于静止状态,则A球的初始加速度为        ;若经过一段时间后,A、B加速度大小之比变为a1a2=3︰2,则此时两球之间的距离为     

试题详情

23.如图所示,粗细均匀、底端封闭的三通玻璃管中用水银与活塞封闭了两段温度相同,长度均为30cm的空气柱A、B,大气压强P0=75cmHg,各段水银长均为15cm。现缓慢抽动玻璃管上端的活塞,使A、B两部分气体体积之比达到最大值,则此最大值为      ,活塞至少上移的距离为     cm。

试题详情


同步练习册答案