0  257606  257614  257620  257624  257630  257632  257636  257642  257644  257650  257656  257660  257662  257666  257672  257674  257680  257684  257686  257690  257692  257696  257698  257700  257701  257702  257704  257705  257706  257708  257710  257714  257716  257720  257722  257726  257732  257734  257740  257744  257746  257750  257756  257762  257764  257770  257774  257776  257782  257786  257792  257800  447090 

069]如图11,已知二次函数的图象与轴相交于两个不同的点,与轴的交点为.设的外接圆的圆心为点

(1)求轴的另一个交点D的坐标;

(2)如果恰好为的直径,且的面积等于,求的值.

 

试题详情

068]如图12,在直角梯形OABC中, OACBAB两点的坐标分别为A(15,0),B(10,12),动点PQ分别从OB两点出发,点P以每秒2个单位的速度沿OA向终点A运动,点Q以每秒1个单位的速度沿BCC运动,当点P停止运动时,点Q也同时停止运动.线段OBPQ相交于点D,过点DDEOA,交AB于点E,射线QE轴于点F.设动点PQ运动时间为t(单位:秒).

(1)当t为何值时,四边形PABQ是等腰梯形,请写出推理过程;

(2)当t=2秒时,求梯形OFBC的面积;

(3)当t为何值时,△PQF是等腰三角形?请写出推理过程.

 

试题详情

067]如图,在直角梯形ABCD中,ADBC,∠ABC=90º,AB=12cm,AD=8cm,BC=22cm,AB为⊙O的直径,动点P从点A开始沿AD边向点D以1cm/s的速度运动,动点Q从点C开始沿CB边向点B以2cm/s的速度运动,PQ分别从点AC同时出发,当其中一点到达端点时,另一个动点也随之停止运动.设运动时间为t(s).

(1)当t为何值时,四边形PQCD为平行四边形?

(2)当t为何值时,PQ与⊙O相切?

试题详情

066]如图,反比例函数y=(x>0)的图象与一次函数y=-x+的图象交于AB两点,点C的坐标为(1,),连接ACACy轴.

(1)求反比例函数的解析式及点B的坐标;

(2)现有一个直角三角板,让它的直角顶点P在反比例函数图象上AB之间的部分滑动(不与AB重合),两直角边始终分别平行于x轴、y轴,且与线段AB交于MN两点,试判断P点在滑动过程中△PMN是否与△CBA总相似?简要说明判断理由.

试题详情

065]如图11,AB是⊙O的直径,弦BC=2cm,∠ABC=60º.

   (1)求⊙O的直径;

(2)若D是AB延长线上一点,连结CD,当BD长为多少时,CD与⊙O相切;

(3)若动点E以2cm/s的速度从A点出发沿着AB方向运动,同时动点F以1cm/s的速度从B点出发沿BC方向运动,设运动时间为,连结EF,当为何值时,△BEF为直角三角形.

试题详情

064]如图,抛物线的顶点为A,与y 轴交于点B

(1)求点A、点B的坐标.

(2)若点Px轴上任意一点,求证:

(3)当最大时,求点P的坐标.      

 

试题详情

063]如图12,已知抛物线轴于AB两点,交轴于点C,抛物线的对称轴交轴于点E,点B的坐标为(,0).

(1)求抛物线的对称轴及点A的坐标;

(2)在平面直角坐标系中是否存在点P,与ABC三点构成一个平行四边形?若存在,请写出点P的坐标;若不存在,请说明理由;

(3)连结CA与抛物线的对称轴交于点D,在抛物线上是否存在点M,使得直线CM把四边形DEOC分成面积相等的两部分?若存在,请求出直线CM的解析式;若不存在,请说明理由.

试题详情

061]如图已知直线L:,它与x轴、y轴的交点分别为A、B两点。

(1)求点A、点B的坐标。

(2)设F为x轴上一动点,用尺规作图作出⊙P,使⊙P经过点B且与x轴相切于点F(不写作法,保留作图痕迹)。

(3)设92)中所作的⊙P的圆心坐标为P(x,y),求y关于x的函数关系式。

(4)是否存在这样的⊙P,既与x轴相切又与直线L相切于点B,若存在,求出圆心P的坐标,若不存在,请说明理由。

试题详情

22.  (1)白,复写,导电 (2)100μA(3)右,左

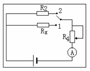
(2)①所选择的器材为: ACEFG 

②实验电路图如图:

③根据闭合电路欧姆定律,。其中R是包括R4、电源及电流表内阻在内的总电阻。由上式可解得:

试题详情


同步练习册答案