0  268886  268894  268900  268904  268910  268912  268916  268922  268924  268930  268936  268940  268942  268946  268952  268954  268960  268964  268966  268970  268972  268976  268978  268980  268981  268982  268984  268985  268986  268988  268990  268994  268996  269000  269002  269006  269012  269014  269020  269024  269026  269030  269036  269042  269044  269050  269054  269056  269062  269066  269072  269080  447090 

26.(15分)短周期元素X、Y、Z的原子序数依次增大,X和Y同主族,Y和Z同周期,Y与Z能形成离子个数比为1:1的离子化合物A,X与Z能形成原子个数比为1:1的共价化合物B,它们之间能实现如图17所示转化(部分产物已略去):

 

  (1)Y在周期表的位置是       ; Z2的电子式是        

  (2)反应①的化学方程式是                    

  (3)D溶液呈碱性的原因是(用离子方程式表示)           ;D是很多漂白剂中含有的有效成分,这些产品不能与洁厕灵(含有有机酸和无机酸)一起使用,其原因就是在常温时能发生与反应②相似的反应。某校的学生在实验室利用反应②的原理来制备纯净、干燥的Z3,仪器装置如图18所示(夹持固定装置的仪器已略去)。

      I.反应②的离子方程是

          

    II.上述实验装置不够完善,

改进方法是      

  (4)Z2跟C在常温时发生的反应③,

在加热条件下发生的反应是:

     3z2+6C    5A+YZO3+3H2O

     3molZ2与足量的C溶液反应,

转移电子的物质的量n(e-)的取

值范围是        

  27.(14分)A、B、C、D是四种常见的单质,A、B为金属;C、D常温下是气体,且D为黄绿色气体。甲、乙、丙为常见的化合物,甲物质具有磁性。它们之间有如图19所示的转化关系:

   请回答下列问题:

  (1)B与甲反应的化学方程式是                     

     B与NaOH溶液反应的离子方程式是                 

  (2)含有B形成的阳离子的溶液与乙溶液反应得到一种白色沉淀,该反应的离子方程式是                           

  (3)实验室检验丙溶液中所含金属阳离子的操作方法和现象是        

    (4)电浮选凝聚法是工业上采用的一种污水处理方法,图20

是该方法处理污水的实验装置示意图,实验过程中,污

水的pH始终保持在5.0~6.0之间。接通电源后,阴极产

生的气体污物带到水面形成浮渣而刮去,起到浮选净作

用;阳极产生的沉淀具有吸附性,吸附污物面沉积,起到

凝聚净化作用。阳极的电极反应分别是       

2H2O-4e-=4H++O2↑;

     阳极区生成沉淀的离子方程式是           

试题详情

25.(16分)市场上销售的某种洗手液中含有PCMX,对革兰氏阳性和阴性菌及霉菌具有极好的杀灭效果。

  (1)PCMX分子中含有苯环,相对分子质量为156.5,该有机物含有碳、氢、氧,氯四种元素,其中氯和氧元素的质量比为35.5:16,则有机物的分子式是       

  (2)PCMX分子的苯环上含有四个取代基,其中相同的两个取代基处于间位,另外两个不同的取代基处于对位;该有机物在一定条件下能跟浓溴水发生苯环上的取代反应,且PCMX与Br2的物质的量之比为1:2。PCMX的结构简式是      ,其中含氧官能团的名称是           

  (3)PCMX在光照的条件下,跟氧气反应生成一氯化物的化学方程式是      

 

  (4)已知                                ,

 

     PCXM与           反应的化学方程式是            

  (5)PCMX的同分异构体中,有两个取代基,且能跟FeCl3溶液发生显色反应的有   种,写出其中两种的结构简式                    

试题详情

24.(20分)如图16所示,两根完全相同的光滑金属导轨OP、OQ固定在水平桌面上,导轨间的夹角为θ=74°,导轨单位长度的电阻为r0=0.1Ωm。导轨所在空间有垂直于桌面向下的匀强磁场,且磁场随时间均匀变化,磁场的磁感应强度B与时间t的关系为,其中比例系数k=2T·s。将电阻不计的金属杆MN放置在水平桌面上,在外力作用下,t=0时刻金属杆以恒定速度v=2m/s从O点开始向右滑动。在滑动过程中保持MN垂直于两导轨间夹角的平分线,且与导轨接触良好。(已知导轨和金属杆杆均足够长,)求:

  (1)在t=6.0s时,回路中的感应电动势的大小;

  (2)在t=6.0s时,金属杆MN所受安培力的大小;

  (3)在t=6.0s时,外力对金属杆MN所做功的功率。

 

试题详情

23.(18分)如图15所示,光滑水平面上有一质量M=4.0kg的带有圆弧轨道的小车,车的上表面是一段长L=1.0m的粗糙水平轨道,水平轨道左侧连一半径R=0.25m光滑圆弧轨道,圆弧轨道与水平轨道在O′点相切. 车右端固定一个尺寸可以忽略、处于锁定状态的压缩弹簧,一质量m=1.0kg的小物块紧靠弹簧放置,小物块与水平轨道间的动摩擦因数μ=0.50.整个装置处于静止状态,现将弹簧解除锁定,小物块被弹出,恰能到达圆弧轨道的最高点A. 取g=10m/s2,求:

  (1)解除锁定前弹簧的弹性势能;

  (2)小物块第二次经过O′点时的速度大小;

  (3)小物块与车最终相对静止时,它距O′点的距离.

   

试题详情

22.(16分)如图14所示,MNPQ是平行金属板,板长为L,两板间距离为dPQ板带正电,MN板带负电,在PQ板的上方有垂直纸面向里的匀强磁场. 一个电荷量为q、质量为m的带负电粒子以速度v0MN板边缘沿平行于板的方向射入两板间,结果粒子恰好从PQ板左边缘飞进磁场,然后又恰好从PQ板的右边缘飞进电场. 不计粒子重力. 试求:

  (1)两金属板间所加电压U的大小;

  (2)匀强磁场的磁感应强度B的大小;

    (3)在图中正确画出粒子再次进入电场中的运动轨迹,并标出粒子再次从电场中飞出的速度方向.

试题详情

21.(2)(12分)某学校实验室新进了一批低电阻的电磁螺线管. 已知螺线管使用的金属丝电阻率 课外活动小组的同学设计了一个试验来测算螺线管使用的金属丝长度. 他们选择了多用电表、电流表、电压表、开关、滑动变阻器、螺旋测微器(千分尺)、导线和学生电源等.

    ①他们使用多用电表粗测金属丝的电阻,操作过程分以下三个步骤:(请填写第II步操作)

    II.                                

    III.把红黑表笔分别与螺线管金属丝的两端相接,多用表的示数如图11-a所示。

 

   ②根据多用电表示数,为了减少实验误差,并在实验中获得较大

的电压调节范围,应从图11-b的A、B、C、D四个电路中选择

_________电路来测量金属丝电阻;

③他们使用千分尺测量金属丝的直径,示数如图12所示,

金属丝的直径为_________mm;

      ④根据多用电表测得的金属丝电阻值,可估算出绕制这个螺线

管所用金属丝的长度约为______m.(结果保留两位有效数字)

    ⑤用电流表和电压表测量金属丝的电阻时,由于电压表、电流

表内阻的影响,不论使用电流表内接法还是电流表外接法,都

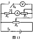
会产生系统误差。按图13所示的电路进行测量,可以消除由于

电表内阻造成的系统误差。利用该电路进行实验的主要操作步骤是:

     第一步:先将R2的滑动头调到最左端,单刀双掷开关S2

向1闭合,闭合开关S1,调节滑动变阻器R1R2,使电压表

和电流表的示数尽量大些(在不超过量程的情况下),读出此

时电压表和电流表的示数U1I1.

     第二步:保持两滑动变阻器滑动头位置不变,将单刀双掷开头S2向2闭合,读出此时电压表和电流表的示数U2I2.

   请写出由以上记录数据计算被测电阻Rx的表达式Rx=     .

试题详情

20.我国探月的“嫦娥工程”已启动,在不久的将来,我国宇航员将登上月球。假如宇航员在月球上测得摆长为L的单摆做小振幅振动的周期为T,将月球视为密度均匀、半径为r的球体,则月球的密度为     (   )

   A.  B.  C.  D.

20080411
 
第II卷(非选择题  共180分)

本试卷共11小题,共180分。

  21.(18分)(1)(6分)利用单摆验证小球平抛运动规律,设计方案如图10-a所示,在悬点O正下方有水平放置的炽热的电热线P,当悬线摆至电热丝处时能轻易被烧断;MN为水平木板,已知悬线长为L,悬点到木板的距离OO′=h(hL).

①将小球向左拉起后自由释放,最后小球落到木板上的C点,OCs,则小球做平抛

运动的初速度为v0=________________.

    ②在其他条件不变的情况下,若改变释放小球时悬线与竖直方向的夹角q,小球落点与

点的水平距离s将随之改变,经多次实验,以s2为纵坐标、cosq为横坐标,得到如图(o-b)

所示图像。则当q=30°时,s为____m;若悬线长L=1.0m,悬点到木板间的距离OO

为________________m.

试题详情

19.如图9所示,在竖直放置的光滑半圆形绝缘细管的

圆心O处放一点电荷。现将质量为m、电荷量为

q的小球从半圆形管的水平直径端点A静止释放,

小球沿细管滑到最低点B时,对管壁恰好无压力。

若小球所带电量很小,不影响O点处的点电荷的电场,

则置于圆心的点电荷在B点处的电场强度的大小为(   )

   A. B.   C.   D.

试题详情

9.60eV

  18.在光滑水平面上有一个内外壁都光滑的气缺质量

为M,气缸内有一质量为m的活塞,已知M>m。

活塞密封一部分理想气体。现对气缸施一水平向

左的拉力F(如图8-A)时,气缸的加速度为a1

封闭气体的压强为p1,体积为V1;若用同样大的

力F水平向左推动活塞,如图8-B,此时气缸的加速度为a2,封闭气体的压强为p2、体积为V2,设密封气体的质量和温度均不变。则    (   )

   A.  B.

     C.  D.

试题详情

11.11eV

   D.金属钠表面所发出的光电子的初动能最大值为

试题详情


同步练习册答案