0  336955  336963  336969  336973  336979  336981  336985  336991  336993  336999  337005  337009  337011  337015  337021  337023  337029  337033  337035  337039  337041  337045  337047  337049  337050  337051  337053  337054  337055  337057  337059  337063  337065  337069  337071  337075  337081  337083  337089  337093  337095  337099  337105  337111  337113  337119  337123  337125  337131  337135  337141  337149  447090 

29.(14分)某研究性学习小组为了研究Cu与浓H2SO4的反应和比较Cu的+1价化合物与+2价化合物的稳定性,设计如下实验探究方案(装置中的固定仪器和酒精灯均未画出)

    实验选用细铜丝、98.3%H2SO4、品红溶液、澄清石灰水、CCl4、NaOH溶液等药品,铜丝被卷成螺旋状,一端投入浓H2SO4中,另一端露置在液面上方。

以下是该学习小组部分交流记录及后续探究实验的记录。

材料一:小组交流记录
学生1:加热前,无现象发生;加热后,液面下铜丝变黑,产生气泡,有细小黑色颗粒状物质从铜丝表面进入浓硫酸中,黑色物质是什么?值得探究!
学生2:我也观察到黑色颗粒状物质,后来逐渐转变为灰白色固体,我想该灰白色固体极有可能是未溶于浓硫酸的CuSO4。
学生3:你们是否注意到液面以上的铜丝也发黑,而且试管上部内壁有少量淡黄色S固体凝聚,会不会液面以上的铜丝与硫发生了反应,我查资料发现:(黑色)
材料二、探究实验剪辑
实验1:将光亮的铜丝在酒精灯火焰上灼烧变黑,然后插入稀硫酸中,铜丝重新变得光亮,溶液呈蓝绿色;将光亮的铜丝置入加热的硫蒸气中变黑,然后插入稀硫酸中无变化。
实验2:截取浓硫酸液面上方变黑的铜丝,插入稀硫酸中无变化;将浓硫酸液面下方变黑的铜丝,插入稀硫酸、黑色明显变浅,溶液呈蓝绿色。
实验3:将溶液中的黑色颗粒状物质,经过滤、稀硫酸洗、蒸馏水洗、干燥后放入氧气流中加热,然后冷却,用电子天平称重发现质量减小10%左右。

    根据上述材料回答下列问题:

    (1)A试管上方的长导管的作用是;            ;D、E两支试管中CCl4

的作用是                              。

    (2)加热过程中,观察到A试管中出现大量白色烟雾,起初部分烟雾在试管上部内壁析出淡黄色固体物质,在持续加热浓硫酸(沸腾)时,淡黄色固体物质又慢慢地消失。写出淡黄色固体消失的化学反应方程式:                     。

    (3)对A试管中的浓H2SO4和铜丝进行加热,很快发现C试管中品红溶液褪色,但始终未见D试管中澄清石灰水出现浑浊或沉淀。学生1猜想是由于SO2溶解度较大,生成了Ca(SHO3)2的缘故。请你设计实验验证学生1的猜想                

                                   。

    (4)根据上述研究,结合所学知识,你认为液面下方铜丝表面的黑色物质成分是: 

                        。(写化学式)

    (5)学生2将反应后的反应液稀释后进行检验,发现溶液呈酸性,对比,学生2提出猜想是:铜与浓硫酸反应生成的硫酸铜水解使溶液呈酸性,请写出该水解反应的离子方程式:

                                  

    你的猜想是:                               

    请你设计一个简单的实验以验证你的猜想:                  

                。

    (6)该研究性学习小组的同学为了比较Cu的+1价化合物和+2价化合物的稳定性,他们取98gCu(OH)2固体,加热至80℃-100℃时,得到黑色固体粉末,继续加热到1000℃以上,黑色粉末全部变成红色粉末X。冷却后称量,X的质量为72g。向X中加入过量稀硫酸,得到蓝色溶液,同时观察到容器中还有红色固体存在,据此可推得,X的化学式为      ,可以得出的结论是                      

                               

试题详情

28.(16分)

    某碳链为直链的有机物A,广泛存在于许多水果内,是一种常见的食品添加剂。该化合物的相对分子质量为134,有关实验数据有:

①6.7g该有机物在纯氧中燃烧,生成物只有CO2和H2O,然后燃烧产物依次通过足量浓硫

酸和碱石灰时,浓硫酸增重2.7g,碱石灰增重8.8g。

②6.7g该有机物与足量饱和NaHCO3溶液充分反应,产生的气体在标准状况下体积为2.24L;

③6.7g该有机物与足量金属钠充分反应,产生的气体在标准状况下体积为1.68L;

  另知,与A相关的部分反应框图如下:

回答下列问题:

    (1)A中官能团的名称是                         。

    (2)上述①⑥反应中,属于取代反应的是      ,属于加成反应的是:      ,

属于消去反应的是       ;反应⑥中,G与H2的物质的量之比是         

    (3)H能使溴水褪色,则生成H的化学方程式为:

                                        。

    (4)写出C与氢氧化钠水溶液反应的化学方程式:

 

                                        。

    (5)B在一定条件下可以发生加聚反应形成高分子化合物,写出其化学方程式:

                                         。

    (6)W是A的同系物,其相对分子质量比A大14,写出符合以下条件的W的同分异构体的结构简式:①能发生银镜反应、1mol该物质与足量银氨溶液反应能生成4mol银;②同一碳原子上连接两个-OH不稳定;③1mol该物质与足量钠反应产生1.5mol氢气。

                                        。

上述同分异构体中写出其中一种中与银氨溶液反应的离子方程式:

                                        。

试题详情

27.(13分)

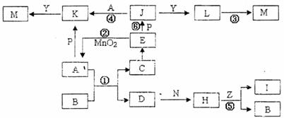
下图中,A、D为气体非金属单质,N、P是金属单质;M为红褐色沉淀;B、E为有刺激性气味的气体;通常状况下,Z为液体;C是由三咱短周期非金属元素组成的离子化合物;I、L为白色沉淀。反应②、⑥均可用于实验室制取某种常见气体;工业上以D为原料生产B(图中部分反应物和生成物没有列出)。

请按要求回答:

    (1)写出D的结构式     ,C的电子式     ;H的电子式        。

    (2)上述①⑥反应中属于氧化还原反应的有     (填写序号),其中反应   

用于除去K溶液中含有的少量J(填写序号)。

    (3)反应②的离子方程式为了                        

      实验室制B的化学方程式为                        

    (4)生活中K可用作净水剂,用离子方程式表示其原理               。

    (5)写出A、M和氢氧化钾在一定条件下反应生成K2PO4(P为题中P物质的元素符号,答题时用所对应的元素符号表示)                          。

试题详情

26.(17分)有位于周期表前四周期的A、B、C、D、E、F六种元素,它们的原子序数依次增大,其中B的地壳中含量最多的元素。已知A、C及B、E分别是同主族元素,且B、E两元素原子核内质子数之和是A、C两元素原子核内质子数之和的2倍。处于同周期的C、D、E三种元素中,D是该周期金属元素中金属性最弱的元素。F元素形成的氧化物有多种,其中之一为红棕色粉末W。

    (1)化合物X是由A、B、C形成的,其晶体类型为    ,其阴离子的电子式为     ;

    (2)写出W物质的一种用途                   ;

    (3)写出两种均含A、B、C、E四种元素的化合物在溶液中相互反应、且生成气体的化学方程式                             ;

    (4)化合物M由B、D、E三种元素形成,将M溶液逐滴加入到X溶液中,实验的主要现象是                                     ,

写出有关反应的离子方程式                           

                                       

    (5)D单质、F单质和X溶液能构成原电池,写出该原电池负极电极反应式样    

                                        ;

    (6)通常条件下,C的最高价氧化物对应水化物2mol与E最高价氧化物对应水化物1mol和稀溶液间反应放出的热量为114.6KJ,试写出表示该热量变化的离子方程式     

                                  。

    (7)将agD单质、F单质及D、F的氧化物样品溶解在过量的100mL pH=1的E最高价氧化物对应水化物的溶液中,然后向其中加入X溶液使D、F离子刚好完全沉淀,用去X溶液50mL,则X溶液的物质的量浓度为         mol·L

    (8)B与C形成的化合物Y呈淡黄色,Y与F的硫酸盐(纯净物)按物质的量之比1:2混合溶于水中,反应的离子方程式可能为                      

试题详情

13.如右图:I是恒压密闭容器,II是恒容密闭容器。其它条件相同时,在I、II中分别加入3mol Z,起始时容器体积均为VL,发生如下反应并达到平衡:。此

时II中X、Y、Z的物质的量之比为3:2:2,则下列说法一定正确的是

A.若X、Y均为气态,则平衡时气体平均摩尔质量:I > II

B.若X、Y不均为气态,则平衡时X的产率:I > II

C.若X、Y均为气态,则从起始到平衡所需时间:I > II

D.若X为固态,Y为气态,到达平衡后若在II中再加入1mol Z,则新平衡时Z的体积分数不变

第II卷(非选择题,共60分)

试题详情

285.8

⑦因为常温下白磷可自燃,而氮气须在放电时才与氧气反应,所以非金属性:A > N

A.②③④         B.①⑥⑦         C.②④⑥     D.③⑤⑦

试题详情

12.下列叙述正确的是:

①热稳定性:       ②溶点:

③IA、IIA族元素的阳离子与同周期稀有气体元素的原子具有相同的核外电子排布

④结合质子()能力:

⑤同一主族的元素的氢化物,相对分子质量越大,它的沸点一定越高

⑥已知;△,则氢气的燃烧热为

试题详情

11.下列叙述正确的是

    A.0.1mol/L NaOH溶液和0.1mol/L NH4Cl溶液等体积混合后

     

    B.NaHCO3溶液中:

    C.只含有的溶液中一定有:

    D.25℃时,PH=5,溶液为0.1mol·L的CH3COO、CH3COONa混合溶液中:

     

试题详情

10.下列有关实验操作的说法不正确的是

①用25ml碱式滴定管量取20.00mL KMnO4溶液

②用盐酸标准溶液滴定待测的氢氧化钠溶液时,水洗后的酸式滴定管未经标准液润洗,则测定结果偏低

③油脂皂化后可用盐析的方法使高级脂肪酸钠和甘油分离

④将固体加入容量瓶中的溶解并稀释至刻度,配制成一定物质的量浓度的溶液

⑤除去乙酸乙酯中少量的乙酸,用饱和碳酸氢钠溶液洗涤、分液、干燥、蒸馏

⑥测定中和热时,每组实验需测定温度3次

⑦向盛有少量苯酚浓溶液的试管里,滴入过量稀溴水有白色沉淀产生

A.①②④⑦      B.②④⑥⑦     C.①②③④     D.③⑤⑥⑦

试题详情


同步练习册答案