0  420341  420349  420355  420359  420365  420367  420371  420377  420379  420385  420391  420395  420397  420401  420407  420409  420415  420419  420421  420425  420427  420431  420433  420435  420436  420437  420439  420440  420441  420443  420445  420449  420451  420455  420457  420461  420467  420469  420475  420479  420481  420485  420491  420497  420499  420505  420509  420511  420517  420521  420527  420535  447090 

6.如图所示,在足够长的斜面上A点,以水平速度v0抛出一个小

球,不计空气阻力,它落到斜面上的水平距离为x1若将此球改

用2v0水平速度抛出,落到斜面上的水平距离为x2,则

                                         (   )

   A.1:1

   B.1:2

   C.1:3

   D.1:4

试题详情

5.质量为m的跳水运动员从距水面H高处跳下,落入水中后受到水的阻力而做减速运  动.设水对他的阻力大小恒为F,他从离开跳台到落入水中减速下降h高度的过程中,下列说法正确的是(g为当地的重力加速度)       (   )

   A.他的动能增加了mg(H+h)        B.他的动能增加了(mg-F)(H+h)

   C.他的机械能减少了FH            D.他的机械能减少了(F-mg)h

试题详情

4.a、b两物体从同一点沿同一方向作直线运动,v-t图象如图所示,

下列说法正确的是                               (   )

   A.当t=5 s时,a、b两物体第一次相遇

   B.当t=10 s时.a、b两物体间距最大

C.当t=1 5 s时,b物体在a物体的前面

D.当t=20 s时,a、b两物体第二次相遇

试题详情

3.如图所示,一带电微粒静止在平行板电容器中,要使带电微粒向上加速运动,可采用的方法有          (   )

   A.将电阻R1的阻值减小

   B.将R2的滑动触头向b端移动

   C.增大平行板之间的距离

   D.减小平行板的正对面积

试题详情

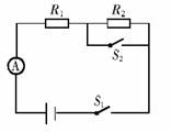
2.如图所示电路中,R=4Ω,R2=6Ω,电源内阻不可忽略,当电

键S2闭合时,电流表A的示数为3 A,则当S2断开时,电流

表示数可能为                             (   )

    A.3.2 A

    B.2.1 A

    C.1.2 A

    D.0.8 A

试题详情

1.在力学范围内,国际单位制规定了三个基本量,这三个基本量是            (   )

   A.长度、质量和力                B.速度、质量和时间

   C.长度、力和时间                D.长度、质量和时间

试题详情

21.(本小题满分13分)

已知函数为自然对数的底数)

  (1)求的单调区间,若有最值,请求出最值;

  (2)是否存在正常数,使的图象有且只有一个公共点,且在该公共点处有共同的切线?若存在,求出的值,以及公共点坐标和公切线方程;若不存在,请说明理由。

试题详情

20.(本小题满分13分)

已知椭圆E的中心在坐标原点,焦点在x轴上,离心率为,且椭圆E上一点到两个焦点距离之和为4;是过点P(0,2)且互相垂直的两条直线,交E于A,B两点,交E交C,D两点,AB,CD的中点分别为M,N。

  (1)求椭圆E的方程;

  (2)求k的取值范围;

  (3)求的取值范围。

试题详情

19.(本小题满分13分)

在数列

  (1)求证:数列是等差数列,并求数列的通项公式

  (2)设,求数列的前项和。

试题详情

18.(本小题满分12分)

在如图所示的空间几何体中,平面平面ABC,AB=BC=CA=DA=DC=BE=2,BE和平面ABC所成的角为60°,且点E在平面ABC上的射影落在的平分线上。

  (1)求证:DE//平面ABC;

  (2)求二面角E-BC-A的余弦;

  (3)求多面体ABCDE的体积。

试题详情


同步练习册答案