0  114472  114480  114486  114490  114496  114498  114502  114508  114510  114516  114522  114526  114528  114532  114538  114540  114546  114550  114552  114556  114558  114562  114564  114566  114567  114568  114570  114571  114572  114574  114576  114580  114582  114586  114588  114592  114598  114600  114606  114610  114612  114616  114622  114628  114630  114636  114640  114642  114648  114652  114658  114666  447090 

12.某同学在科技馆参观时发现,在水平光滑轨道上有一小车,车内有一竖直放置被锁定的压缩弹簧,弹簧上放置一个小钢球(示意图如图7所示).给小车一推力后,小车在光滑轨道上匀速运动,当运动到轨道上的点时,锁定的弹簧被释放.小刚球相对于小车竖直向上被弹出.关于小钢球的落点.下列说法中正确的是(不计小球受到的空气阻力)

    A.小球将落到小车内弹簧上端

    B.小球将落到小车的后方

    C.小球将落到小车的前方

    D.小球将落到轨道的点处

试题详情

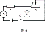
11.图6所示的电路中,电源两端电压保持不变.闭合开关S后,滑动变阻器的滑片P向右移动,下列说法中正确的是

    A.电流表示数变小,电压表示数不变

    B.电流表示数变大,电压表示数变大

    C.电流表示数变小,电压表示数变大

    D.电压表与电流表的示数之比保持不变

试题详情

10.如图5所示是一把既能吹凉风、又能吹热风的电吹风机的简化电路,图中是吹风机,是电热丝.下列说法中正确的是

    A.吹风机和电热丝不能同时工作

    B.吹风机和电热丝均能单独工作

    C.吹风机和电热丝同时工作时,通过它们的电流一定相等

    D.吹风机和电热丝同时工作时,它们两端的电压一定相等

试题详情

9.很多动物为了适应生存的环境,身体某些部位得到了进化.从物理学角度.下列认识中正确的是

    A.骆驼的脚掌很大,可以减小对路面的压强

    B.泥鳅的体表有层黏液,可以增大摩擦

    C.啄木鸟有尖硬的喙,可以减小对树干的压强

    D.蚯蚓腹部有许多刚毛,可以减小摩擦

试题详情

8.如图4所示的实例中,不属于连通器应用的是

试题详情

7.下列现象中,属于扩散现象的是

    A.春天,柳絮飞扬              B.夏天,荷花飘香

    C.秋天,树叶飘落              D.冬天,雪花纷飞

试题详情

6.关于放大镜、照相机、幻灯机和投影仪四种光学仪器的成像情况,下列说法中正确的是

    A.放大镜成正立、放大的实像     B.照相机成正立、缩小的实像

    C.幻灯机成倒立、放大的实像     D.投影仪成正立、放大的虚像

试题详情

5.如图3所示的四种现象中,属于光的折射现象的是

试题详情

4.如图2所示,下列现象中能说明气体的压强跟流速有关的是

 

试题详情

3.关于声现象,下列说法中正确的是

    A.人佩带防噪声的耳罩,属于在声音的产生处减弱噪声

    B.只要是振动的物体一定都能发出人位能听到的声音

    C.声音的传播不需要介质,可以在几何情况下传播

    D.通过居民区的高架路两侧设有隔音墙,属于在声音的传播过程减弱噪声

试题详情


同步练习册答案