0  267042  267050  267056  267060  267066  267068  267072  267078  267080  267086  267092  267096  267098  267102  267108  267110  267116  267120  267122  267126  267128  267132  267134  267136  267137  267138  267140  267141  267142  267144  267146  267150  267152  267156  267158  267162  267168  267170  267176  267180  267182  267186  267192  267198  267200  267206  267210  267212  267218  267222  267228  267236  447090 

10. 有关偏振和偏振光的下列说法中正确的有( )            

A.只有电磁波才能发生偏振,机械波不能发生偏振

B.只有横波能发生偏振,纵波不能发生偏振

C.自然界不存在偏振光,自然光只有通过偏振片才能变为偏振光

D.除了从光源直接发出的光以外,我们通常看到的绝大部分光都是偏振光

试题详情

9.对爱因斯坦光电效应方程EK=hν-W,下面的理解正确的有( )         

A.只要是用同种频率的光照射同一种金属,那么从金属中逸出的所有光电子都会具有同样的初动能EK

B.式中的W表示每个光电子从金属中飞出过程中克服金属中正电荷引力所做的功

C.逸出功W和极限频率ν0之间应满足关系式W= hν0

D.光电子的最大初动能和入射光的频率成正比

试题详情

8.图为X射线管结构示意图,E为灯丝电源。要使射线管发出X射线,须在 K、A两电极间加上几万伏的直流高压,且(   )

A.高压电源正极应接在Q点,X射线从A极发出

B.高压电源正极应接在Q点,X射线从K极发出

C.高压电源正极应接在P点, X射线从 A极发出

D.高压电源正极应接在P点,X射线从K极发出

试题详情

7.用绿光做双缝干涉实验,在光屏上呈现出绿、暗相间的条纹,相邻两条绿条纹间的距离为Δx。下列说法中正确的有 ( )                          

A.如果增大单缝到双缝间的距离,Δx 将增大

B.如果增大双缝之间的距离,Δx 将增大

C.如果增大双缝到光屏之间的距离,Δx将增大

D.如果减小双缝的每条缝的宽度,而不改变双缝间的距离,Δx将增大

试题详情

6. 如图所示,一细束红光和一细束蓝光平行射到同一个三棱镜上,经折射后交于光屏上的同一个点M,若用n1n2分别表示三棱镜对红光和蓝光的折射率,下列说法中正确的是( )               

A.n1<n2a为红光,b为蓝光   B.n1<n2a为蓝光,b为红光

C.n1>n2a为红光,b为蓝光   D.n1>n2a为蓝光,b为红光

试题详情

5. abc为全反射棱镜,它的主截面是等腰直角三角形,如图23-3所示。一束白光垂直入射到ac面上,在ab面上发生全反射,若光线入射点O的位置不变,改变光线的入射方向(不考虑bc面反射的光线)(   )

A.使入射光线按图所示的顺时针方向逐渐偏转,如果有色光射出ab面,

则红光将首先射出。

B.使入射光按图中所示的顺时针方向逐渐偏转,如果有色光射出ab面,则紫光将首先射出

C.使入射光按图中所示的逆时针方向逐渐偏转,红光将首先射出ab

D.使入射光按图中所示的逆时针方向逐渐偏转,紫光将首先射出ab

试题详情

4.如图所示,自行车的尾灯采用了全反射棱镜的原理。它虽然本身不发光,但在夜间骑行时,从后面开来的汽车发出的强光照到尾灯后,会有较强的光被反射回去,使汽车司机注意到前面有自行车。尾灯的原理如图所示,下面说法中正确的是 ( )     

A.汽车灯光应从左面射过来在尾灯的左表面发生全反射

B.汽车灯光应从左面射过来在尾灯的右表面发生全反射          

C.汽车灯光应从右面射过来在尾灯的左表面发生全反射

D.汽车灯光应从右面射过来在尾灯的右表面发生全反射 

试题详情

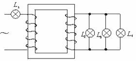
3.如图所示,理想变压器接在交流电源上,已知初级线圈和次级线圈匝数之比n1n2=  3∶1,图中四个灯泡完全相同,当L2L3L4 正常发光时,则L1(  )

A.一定正常发光

B.实际功率大于额定功率

C.实际功率小于额定功率

D.实际功率与额定功率的关系不确定

试题详情

2.理想变压器在正常工作时,原、副线圈中相同的物理量是(  )

A.每匝线圈中磁通量的变化率   B.交变电流的频率

C.原线圈的输入功率、副线圈的输出功率  D.原线圈中的感应电动势和副线圈的感应电动势

试题详情

1.一矩形线圈,绕垂直于匀强磁场并位于线圈平面内的固定轴转动,线圈中的感应电动势E随时间t的变化如图所示,则下列说法中正确的是( )

A.t1时刻通过线圈的磁通量为零

B.t2时刻通过线圈的磁通量的绝对值最大

C.t3时刻通过线圈的磁通量变化率的绝对值最大

D.每当电动势E变换方向时,通过线圈的磁通量的绝对值都为最大

试题详情


同步练习册答案