0  421760  421768  421774  421778  421784  421786  421790  421796  421798  421804  421810  421814  421816  421820  421826  421828  421834  421838  421840  421844  421846  421850  421852  421854  421855  421856  421858  421859  421860  421862  421864  421868  421870  421874  421876  421880  421886  421888  421894  421898  421900  421904  421910  421916  421918  421924  421928  421930  421936  421940  421946  421954  447090 

6.关于酶的性质,下列叙述错误的是                                   (   )

    A.一旦离开活细胞,酶就失去催化能力

    B.酶的催化效率很高,但受温度和酸碱度的影响

    C.化学反应前后,酶的化学性质和数量保持不变

    D.酶与双缩脲试剂不一定发生紫色反应

试题详情

5.ATP是细胞的能量“通货”,下列有关ATP的叙述正确的是                (   )

    A.三磷酸腺苷是生命活动的直接能源物质,其结构简式为ATP

    B.蓝藻内产生ATP的场所有细胞质基质、线粒体以及叶绿体

    C.植物细胞产生的ATP,均可用于一切生命活动

    D.ATP水解失去2个磷酸基团后,剩余部分是RNA的组成单位之一

试题详情

4.下列有关物质跨膜运输方式的叙述错误的是                            (   )

    A.K+的跨膜运输方式不一定是主动运输

    B.主动运输、胞吞和胞吐均需要消耗能量

    C.人成熟红细胞主动运输吸收葡萄糖的过程消耗能量

    D.在生长激素合成与分泌的过程中,生物膜发生了结构与功能 上的联系

试题详情

3.美国科学家文卡特拉曼·拉马克里希南、托马斯·施泰茨和以色列科学家阿达·约纳特因“对核糖体结构和功能的研究”而共同获得2009年的诺贝尔化学奖。下列有关核糖体的叙述正确的是                  (   )

    A.脱氧核苷酸是组成核糖体的成分之一

    B.核糖体是所有生物共有的细胞器,线粒体、叶绿体中也存在

    C.核糖体在合成蛋白质过程中,一定遵循碱基互补配对原则

    D.多肽链中的氨基酸种类、数目、排列顺序直接由核糖体RNA决定

试题详情

2.核酸是生物体内不可缺少的大分子有机物,下列关于核酸的叙述错误的是     (   )

    A.核酸中所含有无素种类与磷脂中所含的元素种类一致

    B.T2噬菌体的遗传物质含有4种核苷酸

    C.发菜的性状都是由核区的DNA控制的

    D.mRNA中含有多个密码子,而tRNA中只含有一个反密码子

试题详情

1.2010年7月12日消息,日本研究人员发现了一种与精神分裂症发病有关的称之为“Dysbindin-1”的蛋白质,该蛋白质存在于脑神经细胞的“突触”中。如果减少这种蛋白质的含量,在“突触”中接受信息的组织就无法正常发育,从而导致精神分裂症。反之,如果补充这种蛋白质,有关组织的机能应付地得到恢复,有关“Dysbindin-1”的蛋白南的全系统,错误的是                                    (   )

    A.Dysbindin-1”的基本单位是氨基酸

    B.脑神经细胞间的信息传递必需经过“突触”

    C.一切生命活动都离不开这种蛋白质

    D.该发现为治疗精神分裂症提供理论基础

试题详情

31.(26分)回答下列Ⅰ、Ⅱ两个小题

I.科学家发现生长在高温、强光照和干旱环境中的植物气孔关闭C4植物能利用叶片内细胞间隙中含量很低的CO2进行光合作用,C3植物则不能。

(1)取自热带不同生境下的甲、乙两种长势良好,状态相似的草本植物,已知甲是C4植物,乙不知其光合作用固定CO2的类型。请利用一个密闭大玻璃钟罩,完成初步判别乙植物是C3植物还是C4植物的实验:

原理:                               

方法:将植物甲和植物乙一同栽种于密闭钟罩下,在        环境下培养若干天观察记录它们的生长情况。

预期结果及结论:①                  ;②                                

(2)对于以上的分析,用显微镜从形态学方面加以进一步验证。

方法:制作乙植物的叶片过叶脉横切的临时切片,用显微镜观察。

结论:如果视野中看到                   ,乙是C3植物;如果看到的是                         ,则乙是C4植物。

(3)研究性学习小组欲观察两种植物光合作用形成的淀粉粒在叶片内的位置有何不同,用碘液对叶片染色后制成的横切片在显微镜下只能看到绿色颗粒,却看不到染成蓝色的淀粉粒,导致这一结果的原因是             

Ⅱ.金茶花是中国特有的观赏品种,但易得枯萎病,降低观赏价值。科学家在某种植物中找到了抗枯萎病的基因,用转基因技术培育出了抗枯萎病的新品种。请据图3-3-1回答:

                  图3-3-1

(1)将②连接到①并形成③,需用到的酶有                

(2)②与①上的某种抗药性基因在结构上的最大区别是             

                   

(3)经检测,被③侵染的茶花叶片细胞具备了抗病性,这说明②已经      。欲快速培育大量该抗病新品种,应该采用的技术是          ,依据的理论基础是           

(4)通过转基因方法获得的抗病金茶花,将来产生的配子中是否一定含有抗病基因?

           。

试题详情

30.(16分)回答下列I、Ⅱ两个小题

I.根据人体调节产热的主要途径示意图回答有关问题:

(1)图中TRF是           激素,

B是       激素。

(2)寒冷环境中 A和B激素在血液中的含量

     ,作用于骨胳肌和其他组织后,

形成Y产热的原因是        

         

(3)常温下,血液中A有增加趋势时,TRF和

TSH的分泌量将    ;这种调节属于

    调节。

(4)人在寒冷环境中,若穿衣太少,会出现X

产热,这时机体出现的现象是    

     ,这样使产生的热量成倍地增加。

(5)由下丘脑到B发挥作用,其调节方式是 

           

Ⅱ.下图表示某淋巴细胞,膜外颗粒为抗体,请回答:

(1)该细胞为        细胞,它是由    

        分化而来的,导致分化为这种细

胞的原因有:               

                   

(2)该细胞分泌的抗体其化学本质是    

(3)在抗体分泌的过程中要消耗由[  ]    

提供的能量。

试题详情

29.(15分)已知: 一个碳原子上连有两个羟基时,易发生下列转化:

请根据下图作答(图中无机产物均省去):

  (1)C中含有的官能团的名称是        。③反应类型为       

D的结构简式为              

  (2)写出反应①化学方程式                         

  (3)已知B的相对分子质量为162,其完全燃烧的产物中n(CO2):n(H2O)=2:1,则B的化学式为                

  (4)若F具有如下特点:①能跟FeCl3溶液发生显色反应;②能发生加聚反应:③苯环上的一氯代物只有两种。则F在一定条件下发生加聚反应的化学方程式为        

                                 

  (5)化合物G是F的同分异构体,属于芳香族化合物,能发生银镜反应。G有  种结构,写出其中一种的结构简式_____________            

试题详情

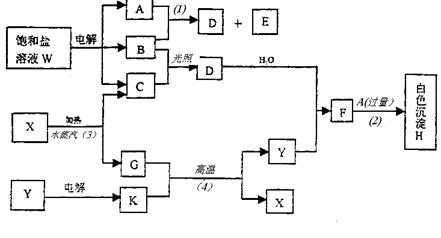
28.(18分)饱和盐溶液W的电解产物发生下列系列反应。图中的每一方格表示有关的一种主要反应物或生成物(反应中加入或生成的水以及生成的其它产物已略去),其中A、B、C、D、E在常温下均为高中化学中常见气态物质,X和K是中学常见的金属单质,氧化物Y是一种比较好的耐火材料。H可溶于强酸强碱。

回答下列问题:

①W的名称是         ,G的俗名是        

②A分子的空间构型是          

③反应(3)的化学方程式是                       

反应(4)的化学方程式是                       

④饱和盐溶液W电解的离子方程式是                  

⑤已知C的燃烧热为285.8kJ/mol。试写出C完全燃烧生成液态物质的热化学方程式                                

试题详情


同步练习册答案