0  174401  174409  174415  174419  174425  174427  174431  174437  174439  174445  174451  174455  174457  174461  174467  174469  174475  174479  174481  174485  174487  174491  174493  174495  174496  174497  174499  174500  174501  174503  174505  174509  174511  174515  174517  174521  174527  174529  174535  174539  174541  174545  174551  174557  174559  174565  174569  174571  174577  174581  174587  174595  447090 

6.下列关于化学观或化学研究方法的叙述中,错误的是                     (   )

   A.在化工生产中应遵循“绿色化学”的思想

   B.控制实验条件可以改变化学反应的限度和速率

   C.在元素周期表的金属和非金属分界线附近寻找半导体材料

   D.根据元素周期律,由HCIO可以类推出氟元素也存在最高价氧化物的水化物HFO

试题详情

29.(11分)

     铁是人体不可缺少的微量元素,摄入含铁的化合物可补充铁。“速力菲”是市场上一种常见的被铁药品,下表是说明书的部分内容。

[规格]  每片含琥珀酸亚铁0.1g
[适应症]  用于缺铁性贫血症,预防及治疗用。
[用量用法]  成人预防量0.1g/日,成人治疗量0.2g-0.4g/日,
小儿用量预防量30-60mg/日,治疗量0.1g-0.3g/日。
[贮藏]  避光、密封、在干燥处保存

  (1)该药品中Fe2+会缓慢氧化,国家规定该药物中Fe2+的氧化率超过10%即不能再服用。

     ①为了检验某药店出售的“速力菲”是否氧化,实验室可选用最常用最灵敏的检验试剂为   ___________    (填试剂的名称)

②实验室采用H2SO4酸化的KMnO4溶液,对“速力菲”中的Fe2+ 进行滴定(假设药品中,其它成分不与KMnO4反应)。请配平下列离子方程式

______MnO4- + ______Fe2+ + ______H+== ______Mn2+ + ______Fe3+ + ______H2O

③称量上述含铁元素质量分数为20.00% 的“速力菲”10.00 g,将其全部溶于稀硫酸中,配制成1000.00 mL溶液,取出20.00 mL,用0.01 mol/L的KMnO4溶液滴定,用去KMnO4溶液12.00 mL。该药品可以服用吗?__________(填“可以”或“不可以”),请通过计算简述理由(写出主要计算过程)_______         

  (2)已知琥珀酸为二元有机酸。含23.6 g琥珀酸的溶液与4mol/L100mL的氢氧化钠溶液恰好完全中和。质子核磁共振分析显示,琥珀酸分子中只含有两种位置不同的氢原子。写出琥珀酸溶液与氢氧化钠溶液完全中和的离子方程式(有机物须写结构简式)          

试题详情

28.(12分)镁及其合金是一种用途很广的金属材料,目前世界上60%的镁是从海水中提取的。某学校课外兴趣小组从海水晒盐后的盐卤(主要含Na+、Mg2+、Cl-、Br-等)中模拟工业生产来提取镁,主要过程如下:

回答下列问题:

  (1)工业上从盐卤中获取Mg(OH)2用石灰乳而不用NaOH溶液的原因是    

  (2)从过程①得到的Mg(OH)2沉淀中混有少量的Ca(OH)2,除去少量Ca(OH)2的方法是先将沉淀加入到盛有    溶液的烧杯中,充分搅拌后经      

    (填操作方法)可得纯净的Mg(OH)2

  (3)下图是该兴趣小组设计进行过程③的实验装置图:

     装置A由分液漏斗、        、铁架台(带铁圈)、石棉网、双孔塞和导管组成,该实验装置在过程③中的作用是              

试题详情

27.(14分)有机物A(C11H12O2)可调配果味香精。用含碳、氢、氧三种元素的有机物B和C为原料合成A。

  (1)有机物B的蒸气密度是同温同压下氢气密度的23倍,分子中碳、氢原子个数比为1:3。有机物B的分子式为            

  (2)有机物C的分子式为C7H8O,C能与钠反应,不与碱反应,也不能使Br2的CCl4溶液褪色。C的结构简式为           

  (3)已知两个醛分子间能发生如下反应:

    (-R、-R′表示氢原子或烃基)

     用B和C为原料按如下路合成A:

20090402
 

     ①上述合成过程中涉及的反应类型有:          。(填写序号)

     a.取代反应   b.加成反应   c.消去反应   d.氧化反应   e.还原反应

②B转化成D的化学方程式为:                    

③G和B反应生成A的化学方程式为                  

  (4)F的同分异构体有多种,写出既能发生银镜反应又能发生水解反应,且苯环上只有一个取代基的所有同分异构体的结构简式:                

试题详情

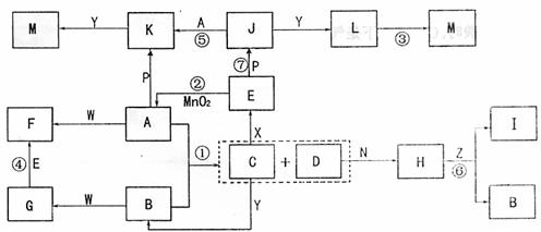
26.(10分)

下图中,A为气体非金属单质,N、P是金属单质;N可以在CO2中燃烧,P是日常生活中最常见的金属,D是空气中含量最多的气体;B、E、Z为无色氢化物,其中B、E为有刺激性气味的气体,Z为液体;C是由三种短周期非金属元素组成的离子化合物,F、I、L为白色沉淀,其中F不溶于稀硝酸;反应②在E的浓溶液中进行,反应⑦在E的稀溶液中进行,反应②、⑦均可用于实验室制取某种气体(图中部分反应物和生成物没有列出)。

请按要求回答:(1)写出D的结构式       ,F的化学式      

  (2)反应③的化学方程式为              

  (3)反应②的离子方程式为              

  (4)由J制取L时反应的环境要求是             

试题详情

25.(14分)现有A、B、C、D、E、F六种原子序数依次增大的前四周期主族元素,且分属四个周期。A、E同主族;B、C、D为同周期相邻的三种元素;B元素形成的化合物种数是所有元素中最多的;D、E简单离子具有相同的电子层结构;F与B可形成FB2型离子化合物。请填写下列空白:

  (1)D与E按原子个数比1:1形成的化合物的电子式为              

  (2)B可形成多种同素异形体,其中一种同素异形体熔、沸点很高,硬度大,该同素异形体的晶体类型为      ,含有1mol B原子的该晶体中含有的共价键的数目为       

  (3)由A、B、D、F四种元素组成的化合物与过量的E的最高价氧化物对应水化物反应的离子方程式为                     

  (4)C与E形成的一种化合物中,E元素的质量分数为35.4%,该化合物的摩尔质量不超过70g/mol,则该化合物的化学式为       ,其中可能含有的化学键类型为           。已知该化合物在水中可以发生水解,其水解的离子方程式为              

试题详情

24.(10分)

  (1)肼(N2H4)又称联氨,是一种可燃性液体,可用作火箭燃料。已知在101kPa,320g N2H4在氧气中完全燃烧生成氮气,放出热量624kJ(25℃时),N2H4完全燃烧反应的热化学方程式是:                          

  (2)肼-空气燃料电池是一种碱性燃料电池,电解质溶液是20~30%的KOH溶液。肼-空气燃料电池放电时,正极的电极反应式是       ;负极的电极反应式是               

  (3)如图是一个电化学过程示意图。假设使用肼-空气燃料电池作为本过程的电源,铜片质量变化128g,则肼-空气燃料电池理论上消耗标准状况下的空气     L(假设空气中氧气的体积含量为20%)。

  (4)传统制备肼的方法是以NaClO氧化NH3制得肼的稀溶液,该反应的离子方程式是

                           

试题详情

23.(8分)在一定条件下,N2和H2发生如下反应:

N2(g)+3H2(g)2NH3(g);△H=-92.4kJ/mol

  (1)该反应中△H的含义是(填序号):          

①该反应达到平衡时放出的热量

②该反应达到平衡时吸收的热量

③该条件下,N2与H2反应生成2molNH3时放出的热量

④该条件下,N2与H2反应生成2molNH3时吸收的热量

  (2)达到平衡后,在其他条件不变的情况下降低温度,H2的转化率________________,化学反应速率_______________(填“增大”、“减小”或“不变”)。

  (3)在甲、乙两个容积相等且固定的密闭容器中分别充入1mol N2、3molH2和2molN2、6molH2。平衡后,两容器内放出的热量分别记作Q和Q,Q和Q的关系是     

     A.                 B.

        C.                 D.无法确定

试题详情

21.1.92g铜投入一定量的浓HNO3中,铜完全溶解,生成的气体颜色越来越浅,共收集到标准状况下672mL气体。将盛有此气体的容器倒扣在水中,通入标准状况下一定体积的O2恰好使气体完全溶于水中,则通入O2的体积是                  (   )

    A.336mL         B.224mL         C.168mL         D.504mL

20090402
 
22.下列关系图中,A是一种正盐,B是气态氢化物,C是单质,F是强酸。当X无论是强权还是强碱时都有如下转化关系(其他反应产物及反应所需条件均已略去)。当X是强碱时,过量的B跟Cl2反应除生成C外,另一产物是盐酸盐。下列说法中不正确的是

    A.当X是强酸时,A、B、C、D、E、F中均含同一种元素,F可能是H2SO4

    B.当X是强碱时,A、B、C、D、E、F中均含同一种元素,F是HNO3

    C.B和Cl2的反应是氧化还原反应

    D.当X是强酸时,C在常温下是气态单质

第Ⅱ卷(非选择题,共79分)

试题详情

20.甲、乙两烧杯中分别盛有100mL浓度均为3mol/L的盐酸和氢氧化钠溶液,向两烧杯中分别加入等质量的铝粉,反应结束后测得生成气体的体积之比为3:4,则加入铝粉的质量为                     (   )

    A.5.4g           B.3.6g           C.2.7g           D.1.8g

试题详情


同步练习册答案