0  125437  125445  125451  125455  125461  125463  125467  125473  125475  125481  125487  125491  125493  125497  125503  125505  125511  125515  125517  125521  125523  125527  125529  125531  125532  125533  125535  125536  125537  125539  125541  125545  125547  125551  125553  125557  125563  125565  125571  125575  125577  125581  125587  125593  125595  125601  125605  125607  125613  125617  125623  125631  447090 

7.一只鸟站在一条通过500A电流的铝质裸导线上,鸟两爪间的距离是5cm,每厘米长输电线的电阻为1.5×101,鸟两爪间导线电阻为_________,两爪间电压为________V.

试题详情

6.放置在粗糙水平桌面上重20N的重物,在水平拉力F=5N作用下匀速运动了2m,则拉力做功W1=________,重力做功W2=________,若物体克服摩擦力做功为W3,则W3________。 (填“>”“<”或“=”)W1

试题详情

5.某兴趣小组的同学在了解电冰箱内压缩机和灯泡连接情况的过程中,打开冰箱门后,根据看到________的现象,可以断定压缩机的灯泡是________联的.电冰箱里的压缩机在压缩某种液体的蒸汽时,使蒸汽的温度升高,这是用________的方法增加了蒸汽的内能;饮料放进冰箱后温度降低,这是用________的方法减少了饮料的内能.

试题详情

4.用扫帚扫地时,扫帚就成了一个_____ (填“省力”“费力”或“等臂”)杠杆,使用时可以省_____.

试题详情

3.如果我们要用电流表测由两只灯泡组成的串联电路或并联电路中通过每只灯泡的电流,串联电路只要用电流表测________次,并联电路要用电流表测________次.

试题详情

2.如图所示,用动滑轮匀速提升重5N的体,绳的一端固定在地面上,若不计滑轮重、弹簧测力计重和摩擦,则三只弹簧测力计的示数为F1=_________,F2=________,F3=_______。

试题详情

1.改变物体内能的方式有两种.在阳光曝晒下衣服温度升高,是用_________的方法增加了衣服的内能;炮弹里火药燃烧产生的高温高压气体炸开了弹壳后温度降低,是用_________的方法减少了气体的内能.

试题详情

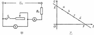
22.如图所示,闭合开关S,滑动变阻器取四个不同的阻值时,可以得出电流表和电压表的四组对应的值.这四组对应的值在图乙的U-I图线坐标中,分别用、b、c、d四个点表示(坐标原点表示电压值和电流值均为零).由这四个点作出的U-I图象为一条直线,延长直线交纵坐标轴(U轴)与E点,交横轴(I轴)于F点,若电源电压为U0,定值电阻为R0,据此分析:

(1)E点表示的电流表、电压表的示数各为多少?此时电路处于什么状态?

(2)F点表示的电流表、电压表的示数各为多少?此时电路处于什么状态?

试题详情

21.如图所示电路,定值电阻R=10,R’最大电阻值为10,电源电压U=6V,则在移动滑动变阻器的滑片P时,电压表和电流表的示数变化范围是多少?

试题详情

20.某中学初三年级课外兴趣小组的同学,按照图甲所示的实物连接图做“测定小灯泡的电阻”实验(小灯泡标有2.5V字样),在实验过程中得到了如下表所示的一组U和I的数据:

实验次数
1
2
3
4
5
6
灯泡两端的电压U/V
0.5
1.0
1.5
2.0
2.5
3.0
通过灯泡的电流I/A
0.18
0.22
0.26
0.30
 
0.34
灯泡发光情况
微亮→逐渐变亮

(1)根据实物图,在右边方框内,画出对应的电路图;

(2)灯泡正常发光时,电流表的示数如图乙所示,请将读数填入表格中的空格处,此时小灯泡的电阻是   .(保留小数点后一位数字)

(3)分析比较表格中的数据可以看出,在灯丝中电流逐渐增大的过程中,灯丝的电阻_________(填“变大”“变小”或“不变”),进一步分析表明:___________________________。

试题详情


同步练习册答案