0  165465  165473  165479  165483  165489  165491  165495  165501  165503  165509  165515  165519  165521  165525  165531  165533  165539  165543  165545  165549  165551  165555  165557  165559  165560  165561  165563  165564  165565  165567  165569  165573  165575  165579  165581  165585  165591  165593  165599  165603  165605  165609  165615  165621  165623  165629  165633  165635  165641  165645  165651  165659  447090 

2.等差数列,已知值为

A.8              B.12              C.24             D.25

试题详情

1.下列集合中,恰有2个元素的集合是

A.                       B.

C.                    D.

试题详情

21.(本小题满分l4分)如图所示,已知线段|AB|=4,动圆O’与线段AB切于点C,且|AC|-|BC|=,过点A、B分别作⊙O’的切线,两切线相交于点P;且P、O’在AB的同侧.

  (1)建立适当的坐标系,当O’位置变化时,求动点P的轨迹E的方程;

  (2)过点B作直线交曲线E于M、N,求△AMN面积的最小值.

试题详情

20.(本小题满分13分)已知,的导数,

  (1)求

  (2)若g()=,求g()的单调增区间;

  (3)解关于的不等式:

试题详情

19.(本小题满分12分)已知数列{)中,=3,前n项和Sn=(n+1)(+1)一1.

   (1)求证:数列{}是等差数列;

   (2)求数列{}的通项公式.

试题详情

18.(本小题满分12分)如图所示,在ABCD中,∠BCD=90°,BC=CD=1,AC⊥平面BCD,∠ADC=45°,E是线段AD的中点,F是线段AC上的一个动点.

  (1)确定点F的位置,使平面ABD⊥平面BEF;

  (2)当平面ABD⊥平面BEF时,求直线DB与EF所成的角.

试题详情

17.(本小题满分12分)某中学高三①、②两班同学进行拔河比赛,①班在每局比赛中获胜的概率都是P.

  (1)若比赛5局,①班恰好负2局的概率等于②班恰好胜4局的概率,试求P的值;

  (2)若比赛8局,则①班恰好胜4局的概率可能是吗?为什么?

试题详情

16.(本小题满分12分)已知△ABC的面积为1,tanB=,tanC=-2,求△ABC的各边长及tanA.

试题详情

15.用砖砌墙,第一层(底层)用去全部砖块的一半多一块,第二层用去剩下的一半多一块,……依此类推,每一层都用去了上一层剩下的砖块的一半多一块,如果到第九层恰好砖块用完,那么一共用了_ __ __块砖.

试题详情

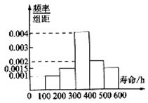
14.某厂研究生产了一种新型电子元件,现随机从中抽取了200个元件进行寿命终极度试验,得到频率分布直方图如图所示.则寿命在100-200h的元件有_______个;估计合格品(寿命在100-400h)的概率为___________;估计总体寿命平均值为__________.

试题详情


同步练习册答案