题目列表(包括答案和解析)

 0  31199  31207  31213  31217  31223  31225  31229  31235  31237  31243  31249  31253  31255  31259  31265  31267  31273  31277  31279  31283  31285  31289  31291  31293  31294  31295  31297  31298  31299  31301  31303  31307  31309  31313  31315  31319  31325  31327  31333  31337  31339  31343  31349  31355  31357  31363  31367  31369  31375  31379  31385  31393  447348 

18.(8分,每空1分)下列各组物质: ① O2和O3    ② H2、D2、T2   ③ 12C和14C

④CH3OCH3和CH3CH2OH   ⑤乙炔和丁炔    ⑥淀粉和纤维素 

 其中⑴互为同系物的是      ,(填序号,序号不重复使用,下同)

 ⑵互为同分异构体的是       ,

 ⑶互为同位素的是    

⑷互为同素异形体的是    

试题详情

17.下列离子方程式书写正确的是 

A.碳酸氢钙溶液中加入过量的氢氧化钠溶液: HCO3-+OH-=CO32-+H2O

 B.氯化铁溶液中通入硫化氢气体:2Fe3++S2-=2Fe2++S↓

 C.次氯酸钙溶液中通入过量二氧化碳:Ca2++2ClO-+H2O+CO2=CaCO3↓+2HClO

 D.氯化亚铁溶液中加入硝酸:3Fe2++4H++NO3-=3Fe3++2H2O+NO↑

座位号
 

第Ⅱ 卷(共59分)

试题详情

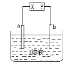
16.下图中X、Y分别是直流电源的两极,通电后,发现a极板质量增加,b极板处有无色无臭气体放出,符合这一情况的是

a极板  b极板  X电极  Z溶液

A.锌   石墨  负极  CuSO4

B.石墨   石墨  负极  NaOH

C.银   铁   正极  AgNO3

D.铜   石墨  负极  CuCl2

试题详情

15.已知BrCl能发生如下发应:与金属:n BrCl+2M =  MCln+MBrn 

与水:BrCl+H2O =  HBrO+HCl下列判断不正确的是           

A.BrCl是共价化合物 

B.与水反应时,BrCl既是氧化剂也是还原剂

C.BrCl分子中存在极性键

D.BrCl具有强的氧化性,其氧化性比Br2

试题详情

14.“绿色化学”要求在化工合成过程中,目标产物对反应物的原子利用率达到100%,下列反应类型符合这一要求的是

A. 取代反应    B.缩聚反应    C.消去反应    D.加成反应

试题详情

13. 20℃时,1体积某烃和4体积O2混合,完全燃烧后恢复到原来的温度和压强,体积不变,该烃分子中所含的碳原子数不可能是

A.1     B.2     C.3      D.4

试题详情

12.已知25 ℃、101 kPa下,石墨、金刚石燃烧的热化学方程式分别为:   

 C(石墨)+O2(g)=CO2(g)   △H=-393.51 kJ·mol-1

  C(金刚石)+O2(g)=CO2(g)  △H=-395.41 kJ·mol-1

 据此判断,下列说法中正确的是。

 A.由石墨制备金刚石是吸热反应;等质量时,石墨的能量比金刚石的低

 B.由石墨制备金刚石是吸热反应;等质量时,石墨的能量比金刚石的高

 C.由石墨制备金刚石是放热反应;等质量时,石墨的能量比金刚石的低

 D.由石墨制备金刚石是放热反应;等质量时,石墨的能量比金刚石的高

试题详情

10.接触法制硫酸和工业制硝酸分别经过以下变化:      ①     ②    ③       ④     ⑤     ⑥ 

 FeS2    SO2     SO3    H2SO4,NH3     NO     NO2     HNO3

下列说法正确的是:

A.所有变化都是氧化还原反应       B.②③⑤⑥都是化合反应  C.②④反应都不需要催化剂       D.②④反应需要足量的氧气

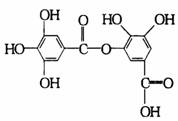
11下式表示一种有机物的结构,关于它的性质叙述中不正确的是 

A.它有酸性,能与纯碱溶液反应         B.它可以水解,水解产物只有一种

C.1 mol该有机物最多能和7 mol NaOH反应  D.该有机物能发生取代反应.

试题详情

9.在酸性溶液中能大量共存且为无色透明溶液的是     

     A. NH+   Al3+   SO42-   NO3-       B. K+    Na+  NO3-   SO32-

     C. K+  Fe2+   SO42-   NO3-        D. Na+   HCO3-    K+    NO3-

试题详情

8.H++OH-=H2O表示下列哪组离子反应       

     A.Cu(OH)2与H2SO4            B.Ba(OH)2与H2SO4 

     C.Fe(OH)3与HCl           D.KHSO4与KOH

试题详情


同步练习册答案