题目列表(包括答案和解析)

 0  169968  169976  169982  169986  169992  169994  169998  170004  170006  170012  170018  170022  170024  170028  170034  170036  170042  170046  170048  170052  170054  170058  170060  170062  170063  170064  170066  170067  170068  170070  170072  170076  170078  170082  170084  170088  170094  170096  170102  170106  170108  170112  170118  170124  170126  170132  170136  170138  170144  170148  170154  170162  447348 

19.某农村水力发电站发电机的输出电压,先通过电站附近的升压变压器升压后,再用输电线路把电能输送到远处村寨附近的降压变压器。降压后,再用线路接到各用户。设发电机输出电压稳定且两变压器均为理想变压器。在用电高峰期,白炽灯不够亮,但用电总功率却增加,这时与用电低谷时比较(    )

A.升压变压器的副线圈两端的电压变大

B.高压输电线路的电压损失变大

C.降压变压器的副线圈两端的电压变大

D.降压变压器的副线圈中的电流变大

试题详情

18.如图18所示,某输电线路横穿公路时,要地下埋线通过,为了保护线路而不至于被压环,预先铺设结实的过路钢管,再让输电线从钢管中穿过,电线穿管的方案有两种,甲方案是铺设两根钢管,两条输电线分别从两根钢管中穿过,乙方案是只铺设一根钢管,两条输电线都从这一根中穿过,如果输电导线输送的电流很强大,那么,以下说法正确的是 (   )

A、无论输送的电流是恒定电流还是交变电流,甲、乙两方案都是可行的

B、若输送的电流是恒定电流,甲、乙两方案都是可行的

C、若输送的电流是交变电流,乙是可行的,甲方案是不可行的

D、若输送的电流是交变电流,甲是可行的,乙方案是不可行的

试题详情

17.如图所示,理想变压器原、副线圈匝数之比为20:1,原线圈接正弦交流电源,副

线圈接入“220V,40W”灯泡一只,且灯泡正常发光。则     (   )

              A.电源输出功率为800W

B.电流表的示数为

C.电流表的示数为

D.原线圈端电压为11V

试题详情

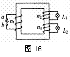
16.如图16所示,理想变压器原、副线圈匝数比为n1∶n2∶n3 = 4∶3∶2,副线圈上分别接标有“6V,12W”、“12V,36W”的灯泡L1和L2,当a、b两端接交变电源后,L1正常发光,则变压器的输入功率为(  )

 A.16W        B.40W

 C.48W         D.不能确定,

试题详情

15.如图15所示,一理想变压器的原线圈匝数n1=1000匝,副线圈匝数n2=200匝,交流电源的电动势e=311 sin(100πt) V(不考虑其内阻),电阻R=88 Ω,电压表和电流表对电路的影响可忽略不计(    )

A.电压表的示数为62.2 V      

B.电流表的示数为2.5 A

C.通过R的电流最大值为0.5 A  

D.变压器的输入电功率为22 W

试题详情

14.调压变压器是一种自耦变压器,它的构造如图所示,线圈AB绕在一个圆环形的铁芯上,AB间加上正弦交流电压U,移动滑动触头P的位置,就可以调节输出电压,在输出端连接了滑动变阻器R和理想交流电流表,变阻器的滑动触头为Q,则(   )

A.保持P的位置不动,将Q向下移动时,电流表的读数变大

B.保持P的位置不动,将Q向下移动时,电流表的读数变小

C.保持Q的位置不动,将P沿逆时针方向移动时,电流表的读数变大

D.保持Q的位置不动,将P沿逆时针方向移动时,电流表的读数变小

试题详情

13.在如图13甲所示的电路中,电阻R的阻值为50Ω,在ab间加上图乙所示的正弦交流电,则下面说法中正确的是     (   )

A.交流电压的有效值为100V

B.电流表示数为2A

C.产生该交流电的线圈在磁场中转动的角速度为3.14rad/s

D.如果产生该交流电的线圈转速提高一倍,则电流表的示数也增大一倍

试题详情

12.如图是一个理想变压器的电路图,若A、B两点接交流电压U时,五个相同的灯泡均正常发光,则原、副线圈的匝数比为:  (    C   )

A. 5 : 1

  B.1 : 5

  C.4 : 1

  D. 1 : 4

试题详情

11. 如图11所示,为一理想变压器的电路图,图中S为单刀双掷开关,P为滑动变阻器R的滑动头,U1为加在原线圈两端的交变电压,I1为原线圈中的电流,则下列说法中正确的是(   )

 A、若保持U1及P的位置不变,S由a合到b时,I1将增大

 B、若保持U1及P的位置不变,S由b合到a时,R消耗的功率将增大

 C、若保持U1不变,S接在a处,使P向上滑时,I1将增大

 D、若保持P的位置不变,S接在a处,使U1增大, I1将增大

试题详情

10.如图10所示,M是一小型理想变压器,接线柱a、b接在电压u=311sin314t(V)的正弦交流电源上,变压器右侧部分为一火警报警系统原理图,其中R2为用半导体热敏材料制成的传感器,电流表A2为值班室的显示器,显示通过R1的电流,电压表V2显示加在报警器上的电压(报警器未画出),R3为一定值电阻。当传感器R2所在处出现火警时,以下说法中正确的是(   )

A.A1的示数不变,A2的示数增大

B.V1的示数不变,V2的示数减小 

C.V1的示数增大,V2的示数增大

D.A1的示数增大,A2的示数增大

试题详情


同步练习册答案