0  173694  173702  173708  173712  173718  173720  173724  173730  173732  173738  173744  173748  173750  173754  173760  173762  173768  173772  173774  173778  173780  173784  173786  173788  173789  173790  173792  173793  173794  173796  173798  173802  173804  173808  173810  173814  173820  173822  173828  173832  173834  173838  173844  173850  173852  173858  173862  173864  173870  173874  173880  173888  447090 

4.根据下列三个反应的化学方程式,判断有关物质的还原性强弱顺序

   ①I2+SO2+2H2O=H2SO4+2HI  ②2FeCl2+Cl2=2FeCl3  ③2FeCl3+2HI=2FeCl2+2HCl+I2

   A.I->Fe2+>Cl->SO2              B.Cl->Fe2+>SO2>I-

   C.Fe2+>I->Cl->SO2               D.SO2>I->Fe2+>Cl-

试题详情

3.下列条件下,两瓶气体所含分子数一定相等的是

   A.同体积、同密度的C2H4和C3H6         B.同温度、同体积的H2和N2

   C.同质量、不同密度的N2和CO          D.同压强、同体积的N2O和CO2

试题详情

2.下列变化中加入氧化剂才能发生的是                                

   A.2Cl-→Cl2   B.Fe3+→Fe2+                C.Cu2+→Cu    D.MnO4-→MnO2

试题详情

1.下列说法正确的是 

A.摩尔是国际单位制七个基本物理量之一    B.Cl2的摩尔质量是71 g/mol

C.标准状况下,22.4LH2O的物质的量为1mol  D.1molH2的质量是1g

试题详情

25.(共8分)取等物质的量浓度的NaOH溶液两份A和B,每份10 mL,分别向A、B中通入不等量的CO2,再继续向两溶液中逐滴加入0.1 mol·L-1的盐酸,标准状况下产生的CO2气体体积与所加的盐酸溶液体积之间的关系如图所示,试回答下列问题:

  (1)原NaOH溶液的物质的量浓度为      

  (2)曲线A表明,原NaOH溶液中通入CO2后,所得溶液中的溶质成分是什么?其物质的量之比为多少?

(3)曲线B表明,原NaOH溶液中通入CO2后,所得溶液加盐酸后产生CO2气体体积(标准状况)的最大值为         mL。

试题详情

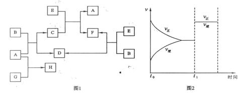
24.(共9分)下列图1中B是一种常见的无色无味的液体。C是一种有磁性的化合物,E是一种无色无味的有毒气体。根据下列图1、图2,回答下列问题:

  (1)E和N2是等电子体(原子数相同、电子数均相同、结构相似),请写出可能E的电子式:       

  (2)若G是一种淡黄色固体单质,在通常情况下16 g G和足量的A反应放出的热量为Q kJ(Q > 0),写出这个反应的热化学方程式:           

  (3)若G是一种气态单质,H的水溶液可以和有机物I反应使溶液呈紫色,请写出I的结构简式:     ;请说明H的水溶液止血的原理         

       。将过量F通入NaOH得到的溶液再与H溶液反应的离子方程式为            

  (4)在101kPa和150℃时,可逆反应E(g) + B(g)F(g) + D(g)反应速率和时间的关系如图2所示,那么在t1时速率发生改变的原因可能是(填选项字母)    。  

A.升高温度   B.增大压强   C.加入催化剂 

D.将B、E的浓度均增加1倍

试题详情

23.(共10分)化学式为C11H12O4的芳香族化合物A、B互为同分异构体,A和D都能发生银镜反应,E的一溴取代物只有两种, A经①、②两步反应得C、D和E。B经①、②两步反应得E、F和H。上述反应过程、产物性质及相互关系如图所示。

(1)A有2种可能结构,写出其结构简式                     。

  (2)在B、C、D、F、G、I化合物中,互为同系物的是                  。

  (3)写出D与F在加热和浓H2SO4催化作用下发生反应的化学方程式      ,指出反应类型            。

  (4)除银镜反应外至少选用其它两种实验方法证明D具有还原性,请按要求填写下表:

 
所选试剂
观察到的实验现象
方法1
 
 
方法2
 
 

试题详情

22.(共8分)近期“问题奶粉”引起了人们的极大关注。 其问题主要是奶粉中掺杂了三聚氰胺,三聚氰胺性状为纯白色晶体,无味,密度1.573克/厘米3 (16℃)。常压下熔点为354℃(分解),快速加热升华,升华温度为300℃;微溶于冷水,易溶于热水、醚、苯和四氯化碳,可溶于甲醇、乙酸、热乙二醇等。

  (1)三聚氰胺的结构简式如下图所示的环状物,则三聚氰胺的分子式为_________该物质的含氮量为    ,三聚氰胺为三个氰胺分子加聚而成,已知氰胺分子中除H原子外,C、N 原子的最外层均达8个电子的结构,则氰胺的电子式为_______________, 三聚氰胺和相对分子质量相近的硝基苯比较 (无色或微黄色具苦杏仁味的油状液体。相对分子质量为123.11;熔点5.7℃。沸点210.9℃)。三聚氰胺的熔点特殊的高,其原因是______________________________。

  (2)下列关于三聚氰胺的说法中,正确的有________________(填序号,多选扣分);

    A. 三聚氰胺是一种含氮量高的白色结晶,无味,所以掺入奶粉后不易被发现

B. 三聚氰胺分子中所有原子一定在同一个平面上

C. 三聚氰胺易溶于冷水,属于分子晶体

D. 三聚氰胺呈弱碱性,可以与酸反应

E. 采用三聚氰胺制造的食具一般都会标明“不可放进微波炉使用”

  (3)乳制品的换算系数为6.38,即若检测出氮的含量为1%,蛋白质的含量则为6.38%。不法分子通过在低蛋白含量的奶粉中加入三聚氰胺来“提高”奶粉中的蛋白质含量,导致许多婴幼儿肾结石。假定奶粉中蛋白质含量为16%即为合格,不法分子在一罐总质量为500g、蛋白质含量为0的假奶粉中掺入了________g的三聚氰胺就可使奶粉“达标”(小数点后保留1位有效数字)。

试题详情

21.(共6分)如下图所示,A为电源,B为浸透饱和食盐水和酚酞试液的滤纸,滤纸中央滴有一滴KMnO4溶液,C、D为电解槽,其电极材料及电解质溶液见图。

  (1)关闭K1,打开K2,通电后,B的KMnO4紫红色液滴向c端移动,则电源b端为    极,通电一段时间后,观察到滤纸d端的电极反应式是          

  (2)已知C装置中溶液为Cu(NO3)2和X(NO3)3,且均为0.1mol,打开K1,关闭K2,通电一段时间后,阴极析出固体质量m(g)与通过电子的物质的量n(mol)关系如下图所示。则Cu2+、X3+、H+氧化能力由大到小的顺序是       ;D装置中溶液是H2SO4,则电极C端从开始至一段时间后的实验现象是:_______             ___。

试题详情

20.(5分)已知: NO3+4H++3e→NO+2H2O 。KMnO4、Na2CO3、Cu2O、Fe2(SO4)3四种物质中有一种(甲)能使上述还原过程发生。

  (1)写出并配平该氧化还原反应的方程式:___________________________________。

  (2)反应中硝酸体现了________________ 、________________ 性质。

  (3)若1mol甲与某浓硝酸反应时,被还原硝酸的物质的量增加,原因是:

____________________________               _____________。

试题详情


同步练习册答案