0  173847  173855  173861  173865  173871  173873  173877  173883  173885  173891  173897  173901  173903  173907  173913  173915  173921  173925  173927  173931  173933  173937  173939  173941  173942  173943  173945  173946  173947  173949  173951  173955  173957  173961  173963  173967  173973  173975  173981  173985  173987  173991  173997  174003  174005  174011  174015  174017  174023  174027  174033  174041  447090 

25.(6分)把2.24g铁和100mL稀HNO3溶液混合后充分反应,铁和HNO3均无剩余,向反应后的溶液中加入50mL 0.2mol·L1的KI溶液,恰好使溶液中的Fe3+全部还原为Fe2+。求原稀HNO3 的物质的量浓度?

试题详情

24.(5分)镁、铝、硅的混合物25g,跟足量盐酸反应生成氢气22.4L(标况),另取同样质量的此混合物跟足量烧碱溶液反应,产生氢气仅为前者的一半,试计算原混合物中镁、铝、硅质量各为多少g?

试题详情

23.(19分)、资料显示:“氨气可在纯氧中安静燃烧……”。某校化学小组学生设计如下装置(图中铁夹等夹持装置已略去)进行氨气与氧气在不同条件下反应的实验。

  (1)用装置A制取纯净、干燥的氨气,大试管内碳酸盐的化学式是________;碱石灰的作用是________。

  (2)将产生的氨气与过量的氧气通到装置B(催化剂为铂石棉)中,用酒精喷灯加热:

  ①氨催化氧化的化学方程式是___________________________________________;

试管内气体变为红棕色,该反应的化学方程式是_____________________________。

  ②停止反应后,立即关闭B中两个活塞。一段时间后,将试管浸入冰水中,试管内气体颜色变浅,请结合化学方程式说明原因_______________________________。

  (3)将过量的氧气与A产生的氨气分别从A.b两管进气口通入到装置C中,并在b管上端点燃氨气:

     ①两气体通入的先后顺序是____,其理由是A.       ___B._____________。

     ②氨气燃烧的化学方程式是______________________________________________。

试题详情

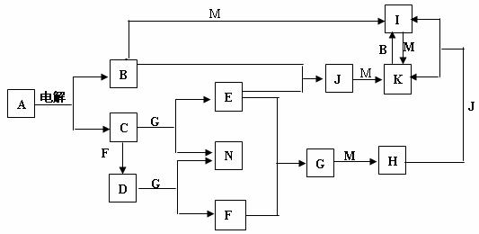
22.(14分)、A-N均为中学化学中的常见物质,其中A是日常生活中不可缺少的物质,也是化工生产上的重要原料,单质M是目前使用量最大的金属,常温下B、E、F为气体,G为无色液体,这些物质在一定条件下存在如下转化关系,其中有些反应物或生成物已经略去。回答下列问题:

  (1)H的化学式为             ,D的电子式为           

  (2)K转变为I的离子方程式:                    

  (3)D与G反应的化学方程式为                      

  (4)I可用于净水,其原因是                           

                  (用相关的反应方程式和简要文字回答)。

  (5)1mol气体E在气体F中完全燃烧生成液态G时放出的热量为a kJ,请写出表示E燃烧热的热化学方程式                       

  (6)I与NaClO在碱性条件下反应,是制备理想的绿色水处理剂(Na2MO4)的一种方法,试写出此反应的化学方程式                      

试题详情

21.(16分)饮用水质量是关系人类健康的重要问题。

  (1)氯气是最早用于饮用水消毒的物质,其消毒作用主要是氯气溶于水后生成了次氯酸,该反应的离子方程式为____________,所生成的次氯酸的电子式为:____________。

  (2)写出工业上制取漂白粉的化学反应方程式:____________________________。

  (3)ClO 2被称为“第四代”饮用水杀虫剂,因其高效率,无污染而被广泛使用.制备ClO 2是发达国家普遍重视的课题,我国北京永利科技有限公司已用电解法批量生产

ClO 2。其反应原理为:4ClO 3-+4H+=4 ClO 2+O 2↑+2H 2O 试写出两电极反应式:

阴极:_______________________________________________________

阳极:_______________________________________________________

  (4)相同物质的量的氯气与二氧化氯消毒时转移电子数目之比是__________________

  (5)采用氧的一种同素异形体用于自来水消毒,既提高了消毒效率,安全无副作用,该物质在自然界中存在,对地球生命体起保护伞作用。该物质和氯气溶于水以及SO2的漂白原理分别是_____________,____________________,__________________;若将氯气与SO2二者混合,若想使石蕊试液褪色则范围为____________。

试题详情

20.标准状况下,将CO2和CO混合气体(密度为1.79g/L)充满一盛有足量Na2O2的密闭容器(体积为22.4L,固体体积可忽略不计)用不间断的电火花引发至充分反应,下列对完全反应后容器里残留物的叙述正确的是        (   )

    A.有0.125molO2             B.有0.375molO2    

    C.有0. 5molCO              D.有0.25molNa2CO3

试题详情

19.氢气、氧气、氯气按体积比9:4:1混合,在一定条件下充分反应,冷却后所得溶液的质量分数为                           (   )

    A.36.5%        B.33.6%       C.30.3%        D.20.2%

试题详情

18.在相同条件下,有4支试管盛有等体积混合的4种混合气体,它们分别是 ①NO2和NO②NO2和O2③NH3和N2④H2和NO,现将4支试管均倒扣于水中,充分反应后,水面上升高度依次为a、b、c、d其关系正确的是       (   )

    A.a=b=c=d    B.c>b>a>d       C.b>c>a>d      D.a>b>c>d

试题详情

17.硫磺在空气中燃烧生成气体甲,甲溶于水得溶液乙,向乙溶液中滴加溴水,溴水褪色乙变成丙。在丙里加入Na2S生成气体丁,把丁通入乙得到沉淀戊。甲、乙、丙、丁、戊均含有硫元素,则们正确的顺序是          (   )

    A.SO3 、H2SO4 、H2SO3 、H2S 、S    

    B.SO2 、H2SO3 、H2SO4 、SO2 、SO3

        C.SO3 、H2SO4 、H2SO3 、SO2 、Na2S2O3  

    D.SO2 、H2SO3 、H2SO4 、H2S 、S

试题详情

16.下列物质反应时,生成物只有一种的是                               (   )

    A.镁在空气中燃烧              B.镁在二氧化碳中燃烧

    C.磷在氯气中燃烧            D.氢气在氯气中燃烧

试题详情


同步练习册答案