0  173992  174000  174006  174010  174016  174018  174022  174028  174030  174036  174042  174046  174048  174052  174058  174060  174066  174070  174072  174076  174078  174082  174084  174086  174087  174088  174090  174091  174092  174094  174096  174100  174102  174106  174108  174112  174118  174120  174126  174130  174132  174136  174142  174148  174150  174156  174160  174162  174168  174172  174178  174186  447090 

7.在化学反应中,有时存在“一种物质过量,另一种物质仍不能完全反应”的特殊情况。下列反应中属于这种情况的是                      (   )

    ①过量的锌与18mol·L-1硫酸溶液反应

    ②过量的氢气与少量的N2在催化剂存在下

    ③浓盐酸与过量的MnO2                           ④过量的铜与浓硫酸

    ⑤过量的稀盐酸与块状石灰石          ⑥过量银与稀硝酸

    A.②③④        B.②③⑤         C.①④⑤        D.①②③④⑤

试题详情

6.设NA为阿伏伽德罗常数,下列叙述中正确的是                         (   )

    A.18g重水含有NA个D2O分子

    B.14g乙烯和丙烯的混合物中总原子数为3NA

    C.0.1mol·L-1的氢氧化钠溶液中含钠离子数为0.1NA

    D.5.6g铁与足量的稀硫酸反应失去电子数为0.3NA

试题详情

5.关于下列各装置图的叙述中,不正确的是                              (   )

    A.装置①中,d为阳极、c为阴极

    B.装置②可用于收集H2、NH3、CO2、Cl2、HCl、NO2等气体

    C.装置③中X若为四氯化碳,可用于吸收氨气或氯化氢,并防止倒吸

    D.装置④可用于干燥、收集氨气,并吸收多余的氨气

试题详情

4.下列说法正确的是                                               (   )

    A.ⅠA族元素原子的失电子能力一定比ⅡA族元素强

    B.胶体分散质微粒有较大的比表面积,能吸附离子使胶体带电荷

    C.某同学用pH试纸测得某NH4Cl溶液的pH为4.0

    D.我国规定自2008年6月1日起,商家不再无偿提供塑料袋,目的是减少“白色污染”

试题详情

3.下列观点你认为正确的是                                          (   )

    A.某单质固体能导电,该单质一定是金属

    B.某化合物的水溶液能导电,该化合物一定是电解质

    C.某化合物固态不导电,熔融态能导电,该化合物很可能是离子化合物

    D.某纯净物常温常压下为气体,则组成该物质的微粒一定含共价键

试题详情

2.下列叙述不正确的是                                             (   )

    A.结构陶瓷碳化硼(B4C3)常用于制造切削工具,它是一种新型无机非金属材料

    B.“雨后彩虹”“海市蜃楼”既是一种自然现象又是光学现象,也与胶体的知识有关

    C.严格的讲,“通风橱”是一种不负责任的防污染手段,因为实验山城的有害气体没有得到转化或吸收

    D.长期盛放NaOH溶液的滴瓶不易打开,是因为NaOH与瓶中的CO2反应使瓶内气体减少形成“负压”之故

试题详情

1.2009年1月1日开始,我国将起征燃油税。较少汽油等成品油的使用是这次税费改革的目的之一。下列说法中不正确的是                                  (   )

    A.工业上将石油蒸馏得到汽油,发生了化学变化

    B.汽车尾气中的碳氢化合物会加剧温室效应

    C.汽车尾气的大量排放是形成光化学烟雾的重要原因

    D.汽车尾气中“黑烟”会增加空气中固体颗粒的含量

试题详情

20.(12分)将25.6gCu投入50mL12mol·L-1的浓硝酸中,浓硝酸先得到NO2,随着反应的进行浓硝酸变为稀硝酸而得到NO,充分反应后,收集到4.48L(标准状况)NO和NO2的混合气体且金属铜反应后以Cu2+形式存在溶液中。

  (1)写出铜和稀硝酸反应生成NO的离子方程式                

(2)被还原的硝酸的物质的量是        

(3)判断25.6gCu和50mL12mol·L-1的硝酸反应后何者有剩余?     。其物质的量是   

  (4)如果往反应后的体系内再加入200mL4mol/L的稀硫酸,又有气体逸出,则新产生的气体体积为        (标准状况)。

试题详情

19.(18分)在实验室里可用下图所示装置制取氯气,进一步可用制得的氯气来制取氯酸钾、次氯酸钠和探究氯水的性质。

图中:②的试管里盛有15mL30%KOH 溶液.并置于水浴中;③ 的试管里盛有15mL

8 % NaOH 溶液.并置于冰水浴中; ④ 的试管里加有紫色石蕊试液;⑤ 为尾气吸收装置。

请填写下列空白:

  (1)制取氯气时,在烧瓶里加入一定量的二氧化锰.通过_______________________(填写仪器名称)向烧瓶中加人适量的浓盐酸。实验时为了除去氯气中的氯化氢气体,可在① 与② 之间安装盛有_____________________(填写下列编号字母)的净化装置。

A.碱石灰  B.饱和食盐水  C.浓硫酸  D.饱和碳酸氢钠溶液

如果烧瓶中放入固体为KClO3,写出其反应的化学方程式        

  (2)比较制取氯酸钾和次氯酸钠的条件.二者的差异是:___________

反应完毕经冷却后,② 的试管中有大量晶体析出。下图中符合该晶体溶解度曲线的是_____________________(填写编号字母);从②的试管中分离出该晶体的方法是_________________(填写实验操作名称)

  (3)本实验中制取氯酸钾的离子方程式是:__________________

  (4)实验中可观察到④的试管里溶液的颜色发生了如下变化,请填写下表中的空白:

实验现象
原因
溶液最初从紫色逐渐变为____色
氯气与水反应生成的H+使石蕊变色
随后溶液逐渐变为无色
_________________________________________
然后溶液从无色逐渐变为____色
_________________________________________

试题详情

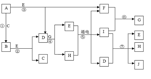
18.(18分)A-J是中学化学中常见的几种物质,它们之间的转化关系如下图所示。已知常温下A为固体单质,B为淡黄色粉末,C、F、I为气态单质,E在常温下为液体,且E可由C、F化合生成,J可作为禽流感、SARS等病毒的杀菌消毒剂。

  (1)写出B、E的化学式:B       。E      

  (2)写出反应⑦的离子方程式:               

  (3)向AlCl3溶液中加入少量固体B,写出反应的化学方程式           

  (4)向FeCl3溶液中加入少量的固体A,反应中产生的现象              

                            

  (5)上述所有①-⑦反应中属于氧化还原反应的是               

试题详情


同步练习册答案