0  163373  163381  163387  163391  163397  163399  163403  163409  163411  163417  163423  163427  163429  163433  163439  163441  163447  163451  163453  163457  163459  163463  163465  163467  163468  163469  163471  163472  163473  163475  163477  163481  163483  163487  163489  163493  163499  163501  163507  163511  163513  163517  163523  163529  163531  163537  163541  163543  163549  163553  163559  163567  447090 

22.(本小题满分14)函数的最小值为

  (1)求数列的通项公式;

  (2)若数列

  (3)求的最大值.

试题详情

21.(本小题满分12)函数的切方程式为

  (1)若时有极值,求的表达式;

  (2)在(Ⅰ)条件下,求最大值;

  (3)若函数

试题详情

20.(本小题满分12)设数列

  (1)求数列的通项公式;

  (2)求数列

试题详情

19.(本小题满分12分)有A,B两个口袋,A袋中有6张卡片,其中一张写有0,2张写有1,3张写有2,B袋中有7张卡片,其中4张写有0,1张写有1,2张写有2.从A袋中取出一张卡片,从B袋中取出2张卡片,

  (1)取出的3张卡片都写有0的概率;

  (2)取出的3张卡片数字之积是4的概率;

试题详情

18.(本小题满分12分)解关于x的不等式

试题详情

17.(本小题满分12分)已知函数

  (1)求它的周期和单调递增区间;

  (2)若,求它的值域;

  (3)若关于x的方程有且只有一个解,求实数a的范围.

试题详情

16.给出下列五个命题,其中正确的序号是      .

   ①函数

   ②函数的最小值为4

   ③关于y轴对称

   ④函数

   ⑤

试题详情

15.某学校有甲、乙两个数学建模兴趣班,其中甲班40人,乙班50人,现分析两班的一次试成绩,算得甲班的平均成绩是90分,乙班的平均成绩是81分,则该校数学建模兴趣小班的平均成绩是      分.

试题详情

100080
 
13.已知      .

14.=      .

试题详情

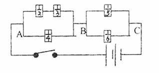
12.如图所示的电路中,5只箱子表示保险单,当中的数值表示通电时保险丝被切断概率,当开关闭合时,通电的概率为                    (   )

     A.              

   B.      

   C.               

   D.

试题详情


同步练习册答案