0  173796  173804  173810  173814  173820  173822  173826  173832  173834  173840  173846  173850  173852  173856  173862  173864  173870  173874  173876  173880  173882  173886  173888  173890  173891  173892  173894  173895  173896  173898  173900  173904  173906  173910  173912  173916  173922  173924  173930  173934  173936  173940  173946  173952  173954  173960  173964  173966  173972  173976  173982  173990  447090 

25.(10分)将一块铜板浸泡在一定浓度的FeCl3溶液中一段时间后取出,得到一混合溶液,某校化学兴趣小组的同学为分析该混合溶液的组成,进行了如下实验:

Ⅰ、取50.0mL混合溶液,向其中加入足量的AgNO3溶液,得白色沉淀,过滤、干燥、称量,沉淀质量为86.1g;

Ⅱ、另取50.0mL混合溶液,向其中加入1.40g铁粉,结果铁粉全部溶解但未见固体析出;

Ⅲ、再取50.0mL混合溶液,向其中加入20.0 mL稀硝酸,得到一种无色气体,其体积 换算成标准状况时为0.448L;

请根据以上实验中得到的数据分析计算:

(1)原FeCl3溶液物质的量浓度(反应过程中溶液体积的变化忽略不计);

(2)所得混合溶液中c(Cu2+)的取值范围;

(3)若要进一步求得混合溶液中c(Cu2+)的具体数值,在只单独使用AgNO3溶液、铁粉或稀硝酸的前提下,还可测出哪些数据,必须进行哪些实验?

试题详情

24.(8分)已知KMnO4、MnO2在酸性条件下均能将草酸钠(Na2C2O4)氧化:MnO+C2O+H+→Mn2++CO2↑+H2O(未配平)  MnO2+C2O+4H+→Mn2++2CO2↑+2H2O某研究小组为测定某软锰矿中MnO2的质量分数,准确称取1.20g软锰矿样品,加入2.68g草酸钠晶体,再加入足量的稀硫酸并加热(杂质不参加反应),充分反应之后冷却、滤去杂质,将所得溶液转移到容量瓶中定容;从中取出25.00 mL待测液置于锥形瓶中,再用0.0200 mol/L KMnO4标准溶液进行滴定,当滴入20.00 mL KMnO4溶液时恰好完全反应。

   试填空以下问题:

(1)配平:   MnO+   C2O+   H+   Mn2++   CO2↑+   H2O

(2)0.0200 mol/L KMnO4标准溶液应置于下图中的    (填“甲”或“乙”)滴定管中;此实验判断滴定终点的方法是                       

(3)欲求得软锰矿中二氧化锰的质量分数,还缺一个数据,这个数据是      ,若该数据的数值为250.0,求该软锰矿中二氧化锰的质量分数。

试题详情

23.(10分)乙基香草醛()是食品添加剂的增香原料,其香味比香草醛更 加浓郁。

(1)写出乙基香草醛分子中两种含氧官能团的名称:               

(2)乙基香草醛的同分异构体A是一种有机酸,A可发生以下变化:

提示:①RCH2OH RCHO

②与苯环直接相连的碳原子上有氢时,此碳原子才可被酸性KMnO4溶液氧化为羧基。

(A)由A→C的反应属于         (填反应类型)。

(B)写出A的结构简式:            

(3)乙基香草醛的一种同分异构体D()是一种医药中间体。请设计合理方案用茴香醛()合成D(其他原料自选,用反应流程图表示,并注明必要的反应条件)。

例如:

                                    

试题详情

22.(8分)杨梅酯是制作冰制食品、糖果等的香料,可用A、E两种烃为原料,经图所示路线合成。

试回答下列问题

(1)写出结构简式:D         ,F       

(2)上述属于取代反应的有       (选填序号)。

(3)写出反应⑤的化学方程式:                

试题详情

21.(10分)中央电视台每晚《晚间新闻》之后,都要预报42个重点城市的空气质量,预报中一般是将这些城市空气中的SO2含量和可吸入颗粒的含量(可用g·cm3表示)分为8个等级。目前,测定空气中SO2含量时主要用一些氧化还原反应。

   假如给你一个气体流速管(单位体积内通过气体的体积恒定,且无除尘和吸收气体作用),请你设计一个实验装置,测定你所在地区空气中SO2和可吸入颗粒的含量。已知SO2气体与酸性高锰酸钾溶液反应时,MnO被还原为Mn2+,SO2被氧化为SO

   现有药品:0.1mol/L的酸性KMnO4溶液,颗粒吸附剂,品红试液,pH试纸。

   现有仪器:密闭容器用“”表示,敞口仪器用“”表示,导管用“   ”或“”表示.气体流速管用“”表示。

(1)配制200mL0.1mol/L的酸性KMnO4溶液,需用到的仪器有         

          等,玻璃棒的作用是         

(2)画出测定空气中SO2和可吸入颗粒含量的实验装置图(并指出仪器中的药品)。

(3)若气体流速管中气体流速为cm3·min,当t min时,200mL0.1mol/L的酸性KMnO4溶液恰好褪色,求空气中SO2的含量(g·cm)。

(4)若要测定空气中可吸人颗粒的含量,需要测出的数据有            

                

空气中SO2的含量还可用检测管测定,其原理是与指示剂KIO3发生作用,可能发生的反应(未配平)有①KIO3+SO2+H2O==I2+H2SO4+KHSO4  ②KIO3+SO2+H2O→+KI+H2SO4

(5)检气管是按上述两个化学方程式中的         方程式设计的,如果是按另一个方程式设计实验程序,能检测空气中的SO2的含量吗?     (填“能”或“不能”)。

(6)若用KIO3溶液来吸收SO2,为了能够准确地测定空气中的SO2的含量,拉动采样器的手柄时应该注意                   ,理由是           

                         

试题详情

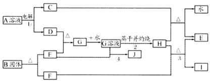
20.(10分)已知C、D、F、I均为常见气体,E为常见金属,G溶液蒸于并灼热得红棕色粉末H,I是一种能导致温室效应的气体,B由三种元素组成。它们有如图所示的关系:

试回答下列问题

(1)反应①阳极的电极反应式:                       

(2)反应③的化学方程式:                    

(3)反应④的离子方程式:                    

(4)反应②蒸发至干并灼烧最终得H而不是无水的G,试用文字和方程式简述其理由: 

                                  

(5)已知B的结构为三角双锥(见图),图中○代表F分子,●代表E原子,写出B的化学式        

试题详情

19.(8分)科学家从化肥厂生产的(NH4)2SO4中检验出组成为N4H4(SO4)2的物质,经测定,该物质易溶于水,在水中以和N4H两种形式存在,植物的根系极易吸收N4H,但它遇到碱时,会生成一种形似白磷的N4分子,N4不能被植物吸收。请回答下列问题:

   (1)N4和N2的关系正确的是    (填序号)。

   A.同种单质   B.同位素   C.同分异构体   D.同素异形体

   (2)N4H4(SO4)2    (填“能”或“不能”)与草木灰混合使用。

   (3)已知白磷、NH、N4H的空间构型均为四面体,NH的结构为:(→表示共用电子对由N原子单方面提供),白磷(P4)的结构为请画出N4H的结构式:                  

(4)已知液氨中存在着平衡:2NH3NH+NH.科学家在液氨中加入氢氧化铯(CsOH)和特殊的吸水剂,使液氨中的NH生成N4分子,请写出液氨与氢氧化铯反应的化学方程式                       

(5)含有一定量(NH4)2SO4和NH3·H2O的水溶液称为“缓冲溶液”,在此溶液中加入少量的强酸或者强碱时,溶液的pH几乎不变,这可由下列离子方程式来说明,加酸时:NH3·H2O+H+==NH+H2O  加碱时:NH+OH==NH3·H2O  由于(NH4)2SO4和NH3·H2O的大量存在.加少量酸或碱时,溶液中c(H+)与c(OH)基本保持不变;含有一定量NaH2PO4和Na2HPO4的溶液,也具有缓冲作用,写出此溶液中加入少量强酸或者强碱时发生的离子反应方程式:

加酸时:                                

加碱时:                                

试题详情

18.(12分)某校研究性学习小组设计实验测定电石样品的纯度。

查阅有关资料得知:H2S、PH3与硫酸铜溶液反应的化学方程式分别是H2S+CuSO4==CuS ↓+H2SO4;19PH3+56CuSO4+44H2O==11H3PO4+56H2SO4+32Cu↓+8Cu3P↓。

相关仪器和药品装置图如图所示。

请你参与活动并就下列问题发表你的见解:

(1)按气体从左到右的流向选择合理的装置组合是(选填字母序号):       

(2)经小组同学讨论认为乙炔的吸收装置选用F装置最佳,理由是:         

                                      

(3)为保证测定的精度,要求产生乙炔的气流较为平缓,在分液漏斗中应装入的液体 是        

(4)若电石样品的质量为,F吸收乙炔前后的质量差为,则电石样品中CaC2质量分数(CaC2)=      

试题详情

17.(10分)某化学课外兴趣小组对教材中铁与水蒸气反应的装置(如下左图)进行了改进(如下右图),并对其产生的气体进行检验。请回答下列问题:

(1)写出铁与水蒸气反应的化学方程式,并标出电子转移方向和数目:        

                                       

(2)右图中湿棉花的作用是                        

(3)改进后的实验与改进前相比,主要的优点有           (至少写出3点)。

(4)右图实验中气体产物的检验方法为                   

试题详情

16.下图是反应A2+B22AB在不同温度和压强下,AB体积分数(AB%)的变化情况。其中a、b曲线为相同压强、不同温度时的变化情况,c曲线在保持与b相同温度时从时间t3开始增大压强的情况。下列叙述正确的是 

A.A2、B2、AB均为气体,正反应放热

B.AB为气体,A2、B2中最少有一种为非气体,正反应放热

C.AB为气体,A2、B2中只有一种为非气体,正反应吸热

D.从时间t3开始到重新达到平衡这段时间内,体系内的气体平均摩尔质量一定发生变化

试题详情


同步练习册答案